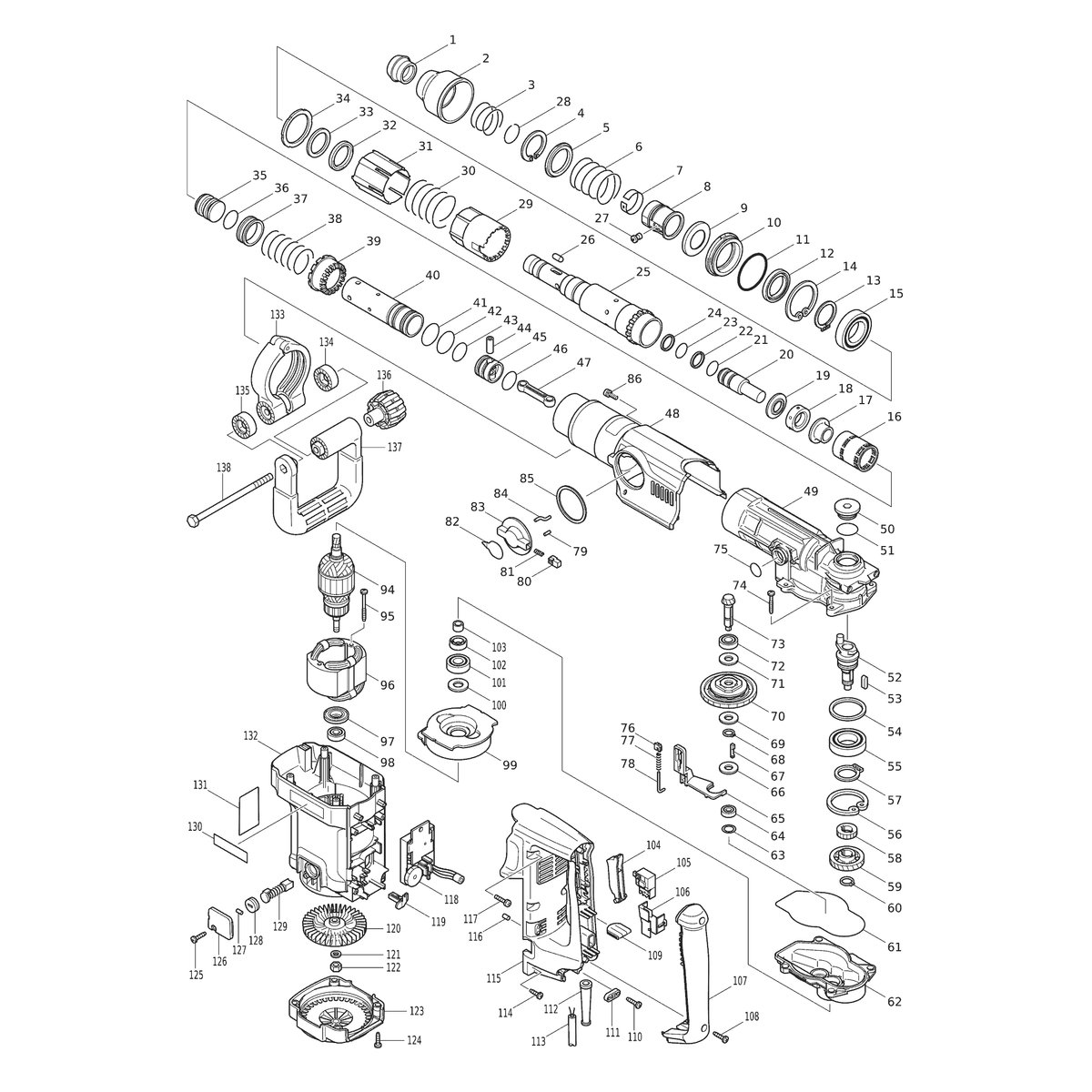
MAKITA Arretierknopf | Ersatzteile für HR4500C | 417340-3

Artikelnummer: EMK-HR4500C-417340-3

Position: 080

Marke: MAKITA


Bitte Kompatibilität prüfen!

Bitte prüfen Sie unbedingt die Typennummer Ihrer Maschine / Ihres Gerätes. Das Ersatzteil ist nur kompatibel, wenn Sie die Typennummer Ihrer Maschine in der unten stehenden Produktbeschreibung finden.

Bitte prüfen Sie ebenfalls detailliert die Explosionszeichnung mit Ihrem Artikelwunsch und der jeweiligen Pos-Nummer.

Alle Elemente, welche vom schwarzen Strich der Pos-Nummer ausgehend berührt / erfasst werden, gehören zu dieser Pos-Nummer und somit zu diesem Artikel. Jede Pos-Nummer ist ein eigenständiger Artikel, welchen Sie in der Auflistung finden.

Sie erhalten stets die aktuellste, neueste Produktversion zu der gewählten Pos-Nummer seitens des Herstellers. Es kann daher je nach Gerätealter vorkommen, dass Sie ggf. weitere, zugehörige Elemente, welche an diese Pos-Nummer grenzen, ebenfalls mittauschen müssen.

Nähere Informationen finden Sie unter dem Link
Hinweise zu Ihrer MAKITA Ersatzteilsuche

Preisübersicht

Einzelpreis: 4,24 €* (Brutto: 5,05 €)
Gesamtpreis: 4,24 €* 
Position:

Lieferzeit: 5 Werktage


Beschreibung

  • Arretierknopf
  • Original MAKITA Zubehör / MAKITA Ersatzteil (417340-3)
  • im Gerät verbaut: 1
Dieses MAKITA Ersatzteil ist mit folgendem Gerät und Modell kompatibel:
  • MAKITA Gerätename: HR4500C
  • MAKITA Explosionszeichnung: Position 71543
  • MAKITA Typennummer: HR4500C
  • MAKITA Typennummer alternative Schreibweisen: HR-4500-C, HR 4500 C
    Bitte prüfen Sie diese Typennummer auf Ihrem Gerät um die Kompatibilität des MAKITA Ersatzteils zu gewährleisten.
Weitere MAKITA Ersatzteile des Gerätes HR4500C () mit der Typennummer HR4500C finden Sie in der nachfolgenden Darstellung und im Dropdown zu Ihrer Auswahl:

Pos.
001
MAKITA Werkzeugaufnahmekappe | Ersatzteile für HR4500C | 286259-5
Hersteller: Makita
Artikelnummer: EMK-HR4500C-286259-5
Netto: 4,52 € zzgl. MwSt.
zzgl. 6,90 € Versand (brutto)
einmalig pro Bestellung

Lieferzeit: 5 Werktage

Pos.
070-1
MAKITA Drehmomentbegrenzer komplett | Ersatzteile für HR4500C | 152954-8
Hersteller: Makita
Artikelnummer: EMK-HR4500C-152954-8
Netto: 106,67 € zzgl. MwSt.
zzgl. 6,90 € Versand (brutto)
einmalig pro Bestellung

Lieferzeit: 5 Werktage

Pos.
094A1
MAKITA Ankerbaugruppe 220-240V | Ersatzteile für HR4500C | 516843-5
Hersteller: Makita
Artikelnummer: EMK-HR4500C-516843-5
Netto: 92,30 € zzgl. MwSt.
zzgl. 6,90 € Versand (brutto)
einmalig pro Bestellung

Lieferzeit: 5 Werktage

Pos.
096A_
MAKITA Feldeinheit 220-240V | Ersatzteile für HR4500C | 526113-4
Hersteller: Makita
Artikelnummer: EMK-HR4500C-526113-4
Netto: 39,94 € zzgl. MwSt.
zzgl. 6,90 € Versand (brutto)
einmalig pro Bestellung

Lieferzeit: 5 Werktage

Pos.
105-1
MAKITA Schalter C3PA-1112 | Ersatzteile für HR4500C | 650677-7
Hersteller: Makita
Artikelnummer: EMK-HR4500C-650677-7
Netto: 18,99 € zzgl. MwSt.
zzgl. 6,90 € Versand (brutto)
einmalig pro Bestellung

Lieferzeit: 5 Werktage

Pos.
111A_
MAKITA Zugentlastung | Ersatzteile für HR4500C | 687053-2
Hersteller: Makita
Artikelnummer: EMK-HR4500C-687053-2
Netto: 3,48 € zzgl. MwSt.
zzgl. 6,90 € Versand (brutto)
einmalig pro Bestellung

Lieferzeit: 5 Werktage

Pos.
113E_
MAKITA Stromversorgungskabel 1.5-2-4.0 | Ersatzteile für HR4500C | 695123-3
Hersteller: Makita
Artikelnummer: EMK-HR4500C-695123-3
Netto: 31,75 € zzgl. MwSt.
zzgl. 6,90 € Versand (brutto)
einmalig pro Bestellung

Lieferzeit: 5 Werktage

Pos.
118A_
MAKITA Controller | Ersatzteile für HR4500C | 631433-4
Hersteller: Makita
Artikelnummer: EMK-HR4500C-631433-4
Netto: 31,75 € zzgl. MwSt.
zzgl. 6,90 € Versand (brutto)
einmalig pro Bestellung

Lieferzeit: 5 Werktage

Pos.
A01
MAKITA Fett-tube | Ersatzteile für HR4500C | 181573-3
Hersteller: Makita
Artikelnummer: EMK-HR4500C-181573-3
nur Informationsartikel
Nie mehr lieferbar
keine Alternativen
Pos.
A01-2
MAKITA Fett-tube | Ersatzteile für HR4500C | 194683-7
Hersteller: Makita
Artikelnummer: EMK-HR4500C-194683-7
nur Informationsartikel
Nie mehr lieferbar
keine Alternativen
Pos.
A02
MAKITA Transportkoffer | Ersatzteile für HR4500C | 824607-6
Hersteller: Makita
Artikelnummer: EMK-HR4500C-824607-6
nur Informationsartikel
Nie mehr lieferbar
keine Alternativen
Pos.
A03
MAKITA Tiefenanschlag | Ersatzteile für HR4500C | 321248-4
Hersteller: Makita
Artikelnummer: EMK-HR4500C-321248-4
nur Informationsartikel
Nie mehr lieferbar
keine Alternativen
Pos.
A04
MAKITA Griff 36 komplett | Ersatzteile für HR4500C | 152554-4
Hersteller: Makita
Artikelnummer: EMK-HR4500C-152554-4
nur Informationsartikel
Nie mehr lieferbar
keine Alternativen
Pos.
A06
MAKITA Schlossschraube M8X80 | Ersatzteile für HR4500C | 266163-4
Hersteller: Makita
Artikelnummer: EMK-HR4500C-266163-4
nur Informationsartikel
Nie mehr lieferbar
keine Alternativen
Pos.
A07
MAKITA Platte | Ersatzteile für HR4500C | 344492-6
Hersteller: Makita
Artikelnummer: EMK-HR4500C-344492-6
nur Informationsartikel
Nie mehr lieferbar
keine Alternativen
Pos.
A08
MAKITA Spannband 75 | Ersatzteile für HR4500C | 344949-7
Hersteller: Makita
Artikelnummer: EMK-HR4500C-344949-7
nur Informationsartikel
Nie mehr lieferbar
keine Alternativen
Pos.
A09
MAKITA Seitengriffbasis 75 | Ersatzteile für HR4500C | 417442-5
Hersteller: Makita
Artikelnummer: EMK-HR4500C-417442-5
nur Informationsartikel
Nie mehr lieferbar
keine Alternativen
Pos.
A10
MAKITA Sechskantmutter M6 | Ersatzteile für HR4500C | 931302-2
Hersteller: Makita
Artikelnummer: EMK-HR4500C-931302-2
nur Informationsartikel
Nie mehr lieferbar
keine Alternativen
Pos.
B01
MAKITA Seitenhandgriffbaugruppe | Ersatzteile für HR4500C | 134915-0
Hersteller: Makita
Artikelnummer: EMK-HR4500C-134915-0
nur Informationsartikel
Nie mehr lieferbar
keine Alternativen
Pos.
B02
MAKITA Griff 36 Baugruppe | Ersatzteile für HR4500C | 134916-8
Hersteller: Makita
Artikelnummer: EMK-HR4500C-134916-8
Netto: 31,68 € zzgl. MwSt.
zzgl. 6,90 € Versand (brutto)
einmalig pro Bestellung

Lieferzeit: 5 Werktage

Pos.
C10
MAKITA Anschlussfeder 36L | Ersatzteile für HR4500C | 654020-2
Hersteller: Makita
Artikelnummer: EMK-HR4500C-654020-2
Netto: 4,05 € zzgl. MwSt.
zzgl. 6,90 € Versand (brutto)
einmalig pro Bestellung

Lieferzeit: 5 Werktage

Pos.
C10
MAKITA Leitende einheit L2 | Ersatzteile für HR4500C | 638062-4
Hersteller: Makita
Artikelnummer: EMK-HR4500C-638062-4
nur Informationsartikel
Nie mehr lieferbar
keine Alternativen
Pos.
C10
MAKITA Muffe 22 | Ersatzteile für HR4500C | 417765-1
Hersteller: Makita
Artikelnummer: EMK-HR4500C-417765-1
nur Informationsartikel
Nie mehr lieferbar
keine Alternativen
Pos.
C10
MAKITA Nadellager 1010 | Ersatzteile für HR4500C | 212052-1
Hersteller: Makita
Artikelnummer: EMK-HR4500C-212052-1
Netto: 10,24 € zzgl. MwSt.
zzgl. 6,90 € Versand (brutto)
einmalig pro Bestellung

Lieferzeit: 5 Werktage

Pos.
C10
MAKITA Verschluss | Ersatzteile für HR4500C | 416401-6
Hersteller: Makita
Artikelnummer: EMK-HR4500C-416401-6
Netto: 5,64 € zzgl. MwSt.
zzgl. 6,90 € Versand (brutto)
einmalig pro Bestellung

Lieferzeit: 5 Werktage

Pos.
C10
MAKITA Warnaufkleber | Ersatzteile für HR4500C | 817280-9
Hersteller: Makita
Artikelnummer: EMK-HR4500C-817280-9
Netto: 3,86 € zzgl. MwSt.
zzgl. 6,90 € Versand (brutto)
einmalig pro Bestellung

Lieferzeit: 5 Werktage

Pos.
C11
MAKITA Verschluss | Ersatzteile für HR4500C | 163467-4
Hersteller: Makita
Artikelnummer: EMK-HR4500C-163467-4
Netto: 4,32 € zzgl. MwSt.
zzgl. 6,90 € Versand (brutto)
einmalig pro Bestellung

Lieferzeit: 5 Werktage

Pos.
C20
MAKITA Firmenschild makita-logo | Ersatzteile für HR4500C | 819145-1
Hersteller: Makita
Artikelnummer: EMK-HR4500C-819145-1
nur Informationsartikel
Nie mehr lieferbar
keine Alternativen
Pos.
C20
MAKITA Muffe 38 | Ersatzteile für HR4500C | 417766-9
Hersteller: Makita
Artikelnummer: EMK-HR4500C-417766-9
nur Informationsartikel
Nie mehr lieferbar
keine Alternativen
Pos.
C30
MAKITA Nicht isolierter Spleiß | Ersatzteile für HR4500C | 654502-4
Hersteller: Makita
Artikelnummer: EMK-HR4500C-654502-4
Netto: 3,86 € zzgl. MwSt.
zzgl. 6,90 € Versand (brutto)
einmalig pro Bestellung

Lieferzeit: 5 Werktage

Pos.
C30
MAKITA Schlauchverbindung | Ersatzteile für HR4500C | 415021-3
Hersteller: Makita
Artikelnummer: EMK-HR4500C-415021-3
nur Informationsartikel
Nie mehr lieferbar
keine Alternativen
Pos.
F06-1
MAKITA Staubabsaugvorrichtung Set | Ersatzteile für HR4500C | 199143-4
Hersteller: Makita
Artikelnummer: EMK-HR4500C-199143-4
Netto: 14,76 € zzgl. MwSt.
zzgl. 6,90 € Versand (brutto)
einmalig pro Bestellung

Lieferzeit: 5 Werktage

Pos.
F09-1
MAKITA Staubabsaugvorrichtung Set | Ersatzteile für HR4500C | 199144-2
Hersteller: Makita
Artikelnummer: EMK-HR4500C-199144-2
Netto: 33,12 € zzgl. MwSt.
zzgl. 6,90 € Versand (brutto)
einmalig pro Bestellung

Lieferzeit: 5 Werktage

Pos.
F13
MAKITA Schmierfettsatz | Ersatzteile für HR4500C | 1914C6-5
Hersteller: Makita
Artikelnummer: EMK-HR4500C-1914C6-5
nur Informationsartikel
Nie mehr lieferbar
keine Alternativen
Pos.
002
MAKITA Futterabdeckung | Ersatzteile für HR4500C | 417459-8
Hersteller: Makita
Artikelnummer: EMK-HR4500C-417459-8
Netto: 9,66 € zzgl. MwSt.
zzgl. 6,90 € Versand (brutto)
einmalig pro Bestellung

Lieferzeit: 5 Werktage

Pos.
003
MAKITA Druckfeder 46 | Ersatzteile für HR4500C | 233178-6
Hersteller: Makita
Artikelnummer: EMK-HR4500C-233178-6
Netto: 4,24 € zzgl. MwSt.
zzgl. 6,90 € Versand (brutto)
einmalig pro Bestellung

Lieferzeit: 5 Werktage

Pos.
004
MAKITA Haltering (EXT) WR-40 | Ersatzteile für HR4500C | 961186-4
Hersteller: Makita
Artikelnummer: EMK-HR4500C-961186-4
Netto: 5,19 € zzgl. MwSt.
zzgl. 6,90 € Versand (brutto)
einmalig pro Bestellung

Lieferzeit: 5 Werktage

Pos.
005
MAKITA Unterlegscheibe 40 | Ersatzteile für HR4500C | 344489-5
Hersteller: Makita
Artikelnummer: EMK-HR4500C-344489-5
Netto: 9,66 € zzgl. MwSt.
zzgl. 6,90 € Versand (brutto)
einmalig pro Bestellung

Lieferzeit: 5 Werktage

Pos.
006
MAKITA Druckfeder 50 | Ersatzteile für HR4500C | 233179-4
Hersteller: Makita
Artikelnummer: EMK-HR4500C-233179-4
Netto: 4,24 € zzgl. MwSt.
zzgl. 6,90 € Versand (brutto)
einmalig pro Bestellung

Lieferzeit: 5 Werktage

Pos.
007
MAKITA Spindelarretierung 37 | Ersatzteile für HR4500C | 232171-7
Hersteller: Makita
Artikelnummer: EMK-HR4500C-232171-7
Netto: 5,19 € zzgl. MwSt.
zzgl. 6,90 € Versand (brutto)
einmalig pro Bestellung

Lieferzeit: 5 Werktage

Pos.
008
MAKITA Entriegelungsbuchse | Ersatzteile für HR4500C | 322948-9
Hersteller: Makita
Artikelnummer: EMK-HR4500C-322948-9
Netto: 29,08 € zzgl. MwSt.
zzgl. 6,90 € Versand (brutto)
einmalig pro Bestellung

Lieferzeit: 5 Werktage

Pos.
009
MAKITA Tellerscheibe 32 | Ersatzteile für HR4500C | 344488-7
Hersteller: Makita
Artikelnummer: EMK-HR4500C-344488-7
Netto: 4,24 € zzgl. MwSt.
zzgl. 6,90 € Versand (brutto)
einmalig pro Bestellung

Lieferzeit: 5 Werktage

Pos.
011
MAKITA O-Ring 56 | Ersatzteile für HR4500C | 213669-3
Hersteller: Makita
Artikelnummer: EMK-HR4500C-213669-3
Netto: 4,52 € zzgl. MwSt.
zzgl. 6,90 € Versand (brutto)
einmalig pro Bestellung

Lieferzeit: 5 Werktage

Pos.
013
MAKITA Haltering (EXT) S-35 | Ersatzteile für HR4500C | 961153-9
Hersteller: Makita
Artikelnummer: EMK-HR4500C-961153-9
Netto: 4,24 € zzgl. MwSt.
zzgl. 6,90 € Versand (brutto)
einmalig pro Bestellung

Lieferzeit: 5 Werktage

Pos.
014
MAKITA Haltering (INT) R-62 | Ersatzteile für HR4500C | 962301-3
Hersteller: Makita
Artikelnummer: EMK-HR4500C-962301-3
nur Informationsartikel
Nie mehr lieferbar
keine Alternativen
Pos.
015
MAKITA Kugellager 6007LLU | Ersatzteile für HR4500C | 211471-8
Hersteller: Makita
Artikelnummer: EMK-HR4500C-211471-8
Netto: 25,09 € zzgl. MwSt.
zzgl. 6,90 € Versand (brutto)
einmalig pro Bestellung

Lieferzeit: 5 Werktage

Pos.
018
MAKITA Gummiring 22 | Ersatzteile für HR4500C | 421767-1
Hersteller: Makita
Artikelnummer: EMK-HR4500C-421767-1
Netto: 8,43 € zzgl. MwSt.
zzgl. 6,90 € Versand (brutto)
einmalig pro Bestellung

Lieferzeit: 5 Werktage

Pos.
019
MAKITA Unterlegscheibe 19 | Ersatzteile für HR4500C | 331597-1
Hersteller: Makita
Artikelnummer: EMK-HR4500C-331597-1
Netto: 9,66 € zzgl. MwSt.
zzgl. 6,90 € Versand (brutto)
einmalig pro Bestellung

Lieferzeit: 5 Werktage

Pos.
020
MAKITA Schlagbolzen | Ersatzteile für HR4500C | 324088-9
Hersteller: Makita
Artikelnummer: EMK-HR4500C-324088-9
Netto: 18,04 € zzgl. MwSt.
zzgl. 6,90 € Versand (brutto)
einmalig pro Bestellung

Lieferzeit: 5 Werktage

Pos.
021
MAKITA O-Ring 20 | Ersatzteile für HR4500C | 213317-4
Hersteller: Makita
Artikelnummer: EMK-HR4500C-213317-4
Netto: 3,67 € zzgl. MwSt.
zzgl. 6,90 € Versand (brutto)
einmalig pro Bestellung

Lieferzeit: 5 Werktage

Pos.
022
MAKITA Fluorkohlenstoffharzring 25 | Ersatzteile für HR4500C | 213392-0
Hersteller: Makita
Artikelnummer: EMK-HR4500C-213392-0
Netto: 10,81 € zzgl. MwSt.
zzgl. 6,90 € Versand (brutto)
einmalig pro Bestellung

Lieferzeit: 5 Werktage

Pos.
025
MAKITA Werkzeugaufnahme | Ersatzteile für HR4500C | 324064-3
Hersteller: Makita
Artikelnummer: EMK-HR4500C-324064-3
Netto: 181,31 € zzgl. MwSt.
zzgl. 6,90 € Versand (brutto)
einmalig pro Bestellung

Lieferzeit: 5 Werktage

Pos.
026
MAKITA Rolle 8 | Ersatzteile für HR4500C | 322908-1
Hersteller: Makita
Artikelnummer: EMK-HR4500C-322908-1
Netto: 5,76 € zzgl. MwSt.
zzgl. 6,90 € Versand (brutto)
einmalig pro Bestellung

Lieferzeit: 5 Werktage

Pos.
027
MAKITA Schulterstift 8 | Ersatzteile für HR4500C | 310052-6
Hersteller: Makita
Artikelnummer: EMK-HR4500C-310052-6
Netto: 5,19 € zzgl. MwSt.
zzgl. 6,90 € Versand (brutto)
einmalig pro Bestellung

Lieferzeit: 5 Werktage

Pos.
028
MAKITA Ringfeder 25 | Ersatzteile für HR4500C | 231984-3
Hersteller: Makita
Artikelnummer: EMK-HR4500C-231984-3
Netto: 3,48 € zzgl. MwSt.
zzgl. 6,90 € Versand (brutto)
einmalig pro Bestellung

Lieferzeit: 5 Werktage

Pos.
030
MAKITA Druckfeder 55 | Ersatzteile für HR4500C | 233300-5
Hersteller: Makita
Artikelnummer: EMK-HR4500C-233300-5
Netto: 4,24 € zzgl. MwSt.
zzgl. 6,90 € Versand (brutto)
einmalig pro Bestellung

Lieferzeit: 5 Werktage

Pos.
032
MAKITA Urethanring 35 | Ersatzteile für HR4500C | 262093-7
Hersteller: Makita
Artikelnummer: EMK-HR4500C-262093-7
Netto: 9,66 € zzgl. MwSt.
zzgl. 6,90 € Versand (brutto)
einmalig pro Bestellung

Lieferzeit: 5 Werktage

Pos.
033
MAKITA Unterlegscheibe 35 | Ersatzteile für HR4500C | 267221-9
Hersteller: Makita
Artikelnummer: EMK-HR4500C-267221-9
Netto: 5,76 € zzgl. MwSt.
zzgl. 6,90 € Versand (brutto)
einmalig pro Bestellung

Lieferzeit: 5 Werktage

Pos.
034
MAKITA Unterlegscheibe 49 | Ersatzteile für HR4500C | 267222-7
Hersteller: Makita
Artikelnummer: EMK-HR4500C-267222-7
Netto: 8,43 € zzgl. MwSt.
zzgl. 6,90 € Versand (brutto)
einmalig pro Bestellung

Lieferzeit: 5 Werktage

Pos.
036
MAKITA O-Ring 27 | Ersatzteile für HR4500C | 213440-5
Hersteller: Makita
Artikelnummer: EMK-HR4500C-213440-5
nur Informationsartikel
Nie mehr lieferbar
keine Alternativen
Pos.
037
MAKITA Ring 38 | Ersatzteile für HR4500C | 331599-7
Hersteller: Makita
Artikelnummer: EMK-HR4500C-331599-7
Netto: 13,38 € zzgl. MwSt.
zzgl. 6,90 € Versand (brutto)
einmalig pro Bestellung

Lieferzeit: 5 Werktage

Pos.
038
MAKITA Druckfeder 39 | Ersatzteile für HR4500C | 233299-4
Hersteller: Makita
Artikelnummer: EMK-HR4500C-233299-4
Netto: 4,24 € zzgl. MwSt.
zzgl. 6,90 € Versand (brutto)
einmalig pro Bestellung

Lieferzeit: 5 Werktage

Pos.
039
MAKITA Spiralkegelrad 36 | Ersatzteile für HR4500C | 227401-9
Hersteller: Makita
Artikelnummer: EMK-HR4500C-227401-9
Netto: 45,74 € zzgl. MwSt.
zzgl. 6,90 € Versand (brutto)
einmalig pro Bestellung

Lieferzeit: 5 Werktage

Pos.
040
MAKITA Zylinder 34 | Ersatzteile für HR4500C | 331592-1
Hersteller: Makita
Artikelnummer: EMK-HR4500C-331592-1
nur Informationsartikel
Nie mehr lieferbar
keine Alternativen
Pos.
041
MAKITA O-Ring 35 | Ersatzteile für HR4500C | 213486-1
Hersteller: Makita
Artikelnummer: EMK-HR4500C-213486-1
Netto: 4,52 € zzgl. MwSt.
zzgl. 6,90 € Versand (brutto)
einmalig pro Bestellung

Lieferzeit: 5 Werktage

Pos.
044
MAKITA Rohr 10 | Ersatzteile für HR4500C | 331598-9
Hersteller: Makita
Artikelnummer: EMK-HR4500C-331598-9
Netto: 5,48 € zzgl. MwSt.
zzgl. 6,90 € Versand (brutto)
einmalig pro Bestellung

Lieferzeit: 5 Werktage

Pos.
045
MAKITA Kolben | Ersatzteile für HR4500C | 417433-6
Hersteller: Makita
Artikelnummer: EMK-HR4500C-417433-6
Netto: 9,66 € zzgl. MwSt.
zzgl. 6,90 € Versand (brutto)
einmalig pro Bestellung

Lieferzeit: 5 Werktage

Pos.
047
MAKITA Stange | Ersatzteile für HR4500C | 417432-8
Hersteller: Makita
Artikelnummer: EMK-HR4500C-417432-8
Netto: 4,81 € zzgl. MwSt.
zzgl. 6,90 € Versand (brutto)
einmalig pro Bestellung

Lieferzeit: 5 Werktage

Pos.
050
MAKITA Kurbelkappe | Ersatzteile für HR4500C | 416124-6
Hersteller: Makita
Artikelnummer: EMK-HR4500C-416124-6
Netto: 4,81 € zzgl. MwSt.
zzgl. 6,90 € Versand (brutto)
einmalig pro Bestellung

Lieferzeit: 5 Werktage

Pos.
051
MAKITA O-Ring 30 | Ersatzteile für HR4500C | 213406-5
Hersteller: Makita
Artikelnummer: EMK-HR4500C-213406-5
Netto: 4,24 € zzgl. MwSt.
zzgl. 6,90 € Versand (brutto)
einmalig pro Bestellung

Lieferzeit: 5 Werktage

Pos.
052
MAKITA Kurbelwelle | Ersatzteile für HR4500C | 324065-1
Hersteller: Makita
Artikelnummer: EMK-HR4500C-324065-1
nur Informationsartikel
Nie mehr lieferbar
keine Alternativen
Pos.
054
MAKITA Unterlegscheibe 45 | Ersatzteile für HR4500C | 267219-6
Hersteller: Makita
Artikelnummer: EMK-HR4500C-267219-6
Netto: 4,52 € zzgl. MwSt.
zzgl. 6,90 € Versand (brutto)
einmalig pro Bestellung

Lieferzeit: 5 Werktage

Pos.
055
MAKITA Kugellager 6006LLU | Ersatzteile für HR4500C | 211418-2
Hersteller: Makita
Artikelnummer: EMK-HR4500C-211418-2
Netto: 18,99 € zzgl. MwSt.
zzgl. 6,90 € Versand (brutto)
einmalig pro Bestellung

Lieferzeit: 5 Werktage

Pos.
056
MAKITA Haltering (INT) R-55 | Ersatzteile für HR4500C | 962252-0
Hersteller: Makita
Artikelnummer: EMK-HR4500C-962252-0
nur Informationsartikel
Nie mehr lieferbar
keine Alternativen
Pos.
057
MAKITA Haltering (EXT) S-30 | Ersatzteile für HR4500C | 961110-7
Hersteller: Makita
Artikelnummer: EMK-HR4500C-961110-7
Netto: 4,24 € zzgl. MwSt.
zzgl. 6,90 € Versand (brutto)
einmalig pro Bestellung

Lieferzeit: 5 Werktage

Pos.
058
MAKITA Stirnrad 22 | Ersatzteile für HR4500C | 227017-0
Hersteller: Makita
Artikelnummer: EMK-HR4500C-227017-0
Netto: 13,38 € zzgl. MwSt.
zzgl. 6,90 € Versand (brutto)
einmalig pro Bestellung

Lieferzeit: 5 Werktage

Pos.
060
MAKITA Haltering (EXT) S-16 | Ersatzteile für HR4500C | 961056-7
Hersteller: Makita
Artikelnummer: EMK-HR4500C-961056-7
Netto: 3,86 € zzgl. MwSt.
zzgl. 6,90 € Versand (brutto)
einmalig pro Bestellung

Lieferzeit: 5 Werktage

Pos.
061
MAKITA Dichtungsring | Ersatzteile für HR4500C | 421768-9
Hersteller: Makita
Artikelnummer: EMK-HR4500C-421768-9
Netto: 4,81 € zzgl. MwSt.
zzgl. 6,90 € Versand (brutto)
einmalig pro Bestellung

Lieferzeit: 5 Werktage

Pos.
064
MAKITA Kugellager 608 LLU | Ersatzteile für HR4500C | 210024-0
Hersteller: Makita
Artikelnummer: EMK-HR4500C-210024-0
Netto: 10,24 € zzgl. MwSt.
zzgl. 6,90 € Versand (brutto)
einmalig pro Bestellung

Lieferzeit: 5 Werktage

Pos.
065
MAKITA Umschaltstange | Ersatzteile für HR4500C | 417438-6
Hersteller: Makita
Artikelnummer: EMK-HR4500C-417438-6
Netto: 7,00 € zzgl. MwSt.
zzgl. 6,90 € Versand (brutto)
einmalig pro Bestellung

Lieferzeit: 5 Werktage

Pos.
066
MAKITA Unterlegscheibe 12 | Ersatzteile für HR4500C | 253810-6
Hersteller: Makita
Artikelnummer: EMK-HR4500C-253810-6
Netto: 4,24 € zzgl. MwSt.
zzgl. 6,90 € Versand (brutto)
einmalig pro Bestellung

Lieferzeit: 5 Werktage

Pos.
067
MAKITA Änderungstaste | Ersatzteile für HR4500C | 322951-0
Hersteller: Makita
Artikelnummer: EMK-HR4500C-322951-0
Netto: 8,43 € zzgl. MwSt.
zzgl. 6,90 € Versand (brutto)
einmalig pro Bestellung

Lieferzeit: 5 Werktage

Pos.
068
MAKITA Haltering (EXT) S-12 | Ersatzteile für HR4500C | 961052-5
Hersteller: Makita
Artikelnummer: EMK-HR4500C-961052-5
Netto: 3,86 € zzgl. MwSt.
zzgl. 6,90 € Versand (brutto)
einmalig pro Bestellung

Lieferzeit: 5 Werktage

Pos.
069
MAKITA Unterlegscheibe 12 | Ersatzteile für HR4500C | 267113-2
Hersteller: Makita
Artikelnummer: EMK-HR4500C-267113-2
nur Informationsartikel
Nie mehr lieferbar
keine Alternativen
Pos.
070
MAKITA Drehmomentbegrenzer komplett | Ersatzteile für HR4500C | 152763-5
Hersteller: Makita
Artikelnummer: EMK-HR4500C-152763-5
nur Informationsartikel
Nie mehr lieferbar
keine Alternativen
Pos.
072
MAKITA Kugellager 6001LLU | Ersatzteile für HR4500C | 211138-8
Hersteller: Makita
Artikelnummer: EMK-HR4500C-211138-8
Netto: 10,24 € zzgl. MwSt.
zzgl. 6,90 € Versand (brutto)
einmalig pro Bestellung

Lieferzeit: 5 Werktage

Pos.
073
MAKITA Spiralkegelrad 10 | Ersatzteile für HR4500C | 227405-1
Hersteller: Makita
Artikelnummer: EMK-HR4500C-227405-1
Netto: 30,42 € zzgl. MwSt.
zzgl. 6,90 € Versand (brutto)
einmalig pro Bestellung

Lieferzeit: 5 Werktage

Pos.
074
MAKITA Bindekopf-Blechschraube 5X35 | Ersatzteile für HR4500C | 266012-5
Hersteller: Makita
Artikelnummer: EMK-HR4500C-266012-5
nur Informationsartikel
Nie mehr lieferbar
keine Alternativen
Pos.
075
MAKITA O-Ring 20 | Ersatzteile für HR4500C | 213304-3
Hersteller: Makita
Artikelnummer: EMK-HR4500C-213304-3
Netto: 4,05 € zzgl. MwSt.
zzgl. 6,90 € Versand (brutto)
einmalig pro Bestellung

Lieferzeit: 5 Werktage

Pos.
076
MAKITA Gleitplatte | Ersatzteile für HR4500C | 416289-4
Hersteller: Makita
Artikelnummer: EMK-HR4500C-416289-4
Netto: 4,24 € zzgl. MwSt.
zzgl. 6,90 € Versand (brutto)
einmalig pro Bestellung

Lieferzeit: 5 Werktage

Pos.
077
MAKITA Druckfeder 3 | Ersatzteile für HR4500C | 233180-9
Hersteller: Makita
Artikelnummer: EMK-HR4500C-233180-9
Netto: 3,86 € zzgl. MwSt.
zzgl. 6,90 € Versand (brutto)
einmalig pro Bestellung

Lieferzeit: 5 Werktage

Pos.
079
MAKITA Stift 4 | Ersatzteile für HR4500C | 256122-6
Hersteller: Makita
Artikelnummer: EMK-HR4500C-256122-6
Netto: 4,05 € zzgl. MwSt.
zzgl. 6,90 € Versand (brutto)
einmalig pro Bestellung

Lieferzeit: 5 Werktage

Pos.
080
MAKITA Arretierknopf | Ersatzteile für HR4500C | 417340-3
Hersteller: Makita
Artikelnummer: EMK-HR4500C-417340-3
Netto: 4,24 € zzgl. MwSt.
zzgl. 6,90 € Versand (brutto)
einmalig pro Bestellung

Lieferzeit: 5 Werktage

Pos.
081
MAKITA Druckfeder 2.4 | Ersatzteile für HR4500C | 233188-3
Hersteller: Makita
Artikelnummer: EMK-HR4500C-233188-3
Netto: 3,86 € zzgl. MwSt.
zzgl. 6,90 € Versand (brutto)
einmalig pro Bestellung

Lieferzeit: 5 Werktage

Pos.
082
MAKITA Hinweisaufkleber | Ersatzteile für HR4500C | 816329-2
Hersteller: Makita
Artikelnummer: EMK-HR4500C-816329-2
Netto: 4,24 € zzgl. MwSt.
zzgl. 6,90 € Versand (brutto)
einmalig pro Bestellung

Lieferzeit: 5 Werktage

Pos.
083
MAKITA Umschalthebel | Ersatzteile für HR4500C | 416287-8
Hersteller: Makita
Artikelnummer: EMK-HR4500C-416287-8
Netto: 5,48 € zzgl. MwSt.
zzgl. 6,90 € Versand (brutto)
einmalig pro Bestellung

Lieferzeit: 5 Werktage

Pos.
084
MAKITA Kurbelzapfen | Ersatzteile für HR4500C | 322962-5
Hersteller: Makita
Artikelnummer: EMK-HR4500C-322962-5
Netto: 4,81 € zzgl. MwSt.
zzgl. 6,90 € Versand (brutto)
einmalig pro Bestellung

Lieferzeit: 5 Werktage

Pos.
085
MAKITA Staubschutzscheibe 55 | Ersatzteile für HR4500C | 421698-4
Hersteller: Makita
Artikelnummer: EMK-HR4500C-421698-4
Netto: 5,48 € zzgl. MwSt.
zzgl. 6,90 € Versand (brutto)
einmalig pro Bestellung

Lieferzeit: 5 Werktage

Pos.
086
MAKITA Flachkopfschraube M4X16 WR | Ersatzteile für HR4500C | 911128-8
Hersteller: Makita
Artikelnummer: EMK-HR4500C-911128-8
Netto: 3,86 € zzgl. MwSt.
zzgl. 6,90 € Versand (brutto)
einmalig pro Bestellung

Lieferzeit: 5 Werktage

Pos.
095
MAKITA Bindekopf-Blechschraube 5X50 | Ersatzteile für HR4500C | 266046-8
Hersteller: Makita
Artikelnummer: EMK-HR4500C-266046-8
Netto: 4,24 € zzgl. MwSt.
zzgl. 6,90 € Versand (brutto)
einmalig pro Bestellung

Lieferzeit: 5 Werktage

Pos.
097
MAKITA Isolierscheibe | Ersatzteile für HR4500C | 681642-5
Hersteller: Makita
Artikelnummer: EMK-HR4500C-681642-5
Netto: 12,42 € zzgl. MwSt.
zzgl. 6,90 € Versand (brutto)
einmalig pro Bestellung

Lieferzeit: 5 Werktage

Pos.
098
MAKITA Kugellager 6000DDW | Ersatzteile für HR4500C | 211088-7
Hersteller: Makita
Artikelnummer: EMK-HR4500C-211088-7
Netto: 12,42 € zzgl. MwSt.
zzgl. 6,90 € Versand (brutto)
einmalig pro Bestellung

Lieferzeit: 5 Werktage

Pos.
099
MAKITA Prallplatte | Ersatzteile für HR4500C | 417439-4
Hersteller: Makita
Artikelnummer: EMK-HR4500C-417439-4
Netto: 7,00 € zzgl. MwSt.
zzgl. 6,90 € Versand (brutto)
einmalig pro Bestellung

Lieferzeit: 5 Werktage

Pos.
100
MAKITA Unterlegscheibe 15 | Ersatzteile für HR4500C | 267025-9
Hersteller: Makita
Artikelnummer: EMK-HR4500C-267025-9
Netto: 3,86 € zzgl. MwSt.
zzgl. 6,90 € Versand (brutto)
einmalig pro Bestellung

Lieferzeit: 5 Werktage

Pos.
101
MAKITA Kugellager 6202LLU | Ersatzteile für HR4500C | 211238-4
Hersteller: Makita
Artikelnummer: EMK-HR4500C-211238-4
Netto: 10,81 € zzgl. MwSt.
zzgl. 6,90 € Versand (brutto)
einmalig pro Bestellung

Lieferzeit: 5 Werktage

Pos.
104
MAKITA Schalthebel | Ersatzteile für HR4500C | 416284-4
Hersteller: Makita
Artikelnummer: EMK-HR4500C-416284-4
Netto: 4,81 € zzgl. MwSt.
zzgl. 6,90 € Versand (brutto)
einmalig pro Bestellung

Lieferzeit: 5 Werktage

Pos.
105
MAKITA Schalter TG71B | Ersatzteile für HR4500C | 651922-3
Hersteller: Makita
Artikelnummer: EMK-HR4500C-651922-3
Netto: 13,38 € zzgl. MwSt.
zzgl. 6,90 € Versand (brutto)
einmalig pro Bestellung

Lieferzeit: 5 Werktage

Pos.
107
MAKITA Griffabdeckung | Ersatzteile für HR4500C | 417443-3
Hersteller: Makita
Artikelnummer: EMK-HR4500C-417443-3
Netto: 29,08 € zzgl. MwSt.
zzgl. 6,90 € Versand (brutto)
einmalig pro Bestellung

Lieferzeit: 5 Werktage

Pos.
108
MAKITA Bindekopf-Blechschraube 4X18 | Ersatzteile für HR4500C | 265995-6
Hersteller: Makita
Artikelnummer: EMK-HR4500C-265995-6
Netto: 3,86 € zzgl. MwSt.
zzgl. 6,90 € Versand (brutto)
einmalig pro Bestellung

Lieferzeit: 5 Werktage

Pos.
109
MAKITA Schwammplatte | Ersatzteile für HR4500C | 421583-1
Hersteller: Makita
Artikelnummer: EMK-HR4500C-421583-1
Netto: 3,86 € zzgl. MwSt.
zzgl. 6,90 € Versand (brutto)
einmalig pro Bestellung

Lieferzeit: 5 Werktage

Pos.
112
MAKITA Kabelschutz 10 | Ersatzteile für HR4500C | 682560-0
Hersteller: Makita
Artikelnummer: EMK-HR4500C-682560-0
Netto: 4,52 € zzgl. MwSt.
zzgl. 6,90 € Versand (brutto)
einmalig pro Bestellung

Lieferzeit: 5 Werktage

Pos.
114
MAKITA Bindekopf-Blechschraube 5X20 | Ersatzteile für HR4500C | 266021-4
Hersteller: Makita
Artikelnummer: EMK-HR4500C-266021-4
Netto: 4,05 € zzgl. MwSt.
zzgl. 6,90 € Versand (brutto)
einmalig pro Bestellung

Lieferzeit: 5 Werktage

Pos.
115
MAKITA Handgriff | Ersatzteile für HR4500C | 417444-1
Hersteller: Makita
Artikelnummer: EMK-HR4500C-417444-1
nur Informationsartikel
Nie mehr lieferbar
keine Alternativen
Pos.
116
MAKITA Anzeigefenster 5 | Ersatzteile für HR4500C | 416285-2
Hersteller: Makita
Artikelnummer: EMK-HR4500C-416285-2
Netto: 3,86 € zzgl. MwSt.
zzgl. 6,90 € Versand (brutto)
einmalig pro Bestellung

Lieferzeit: 5 Werktage

Pos.
117
MAKITA Flachkopfschraube M5X20 WR | Ersatzteile für HR4500C | 911233-1
Hersteller: Makita
Artikelnummer: EMK-HR4500C-911233-1
Netto: 3,86 € zzgl. MwSt.
zzgl. 6,90 € Versand (brutto)
einmalig pro Bestellung

Lieferzeit: 5 Werktage

Pos.
120
MAKITA Ventilator 90 | Ersatzteile für HR4500C | 240016-5
Hersteller: Makita
Artikelnummer: EMK-HR4500C-240016-5
Netto: 10,24 € zzgl. MwSt.
zzgl. 6,90 € Versand (brutto)
einmalig pro Bestellung

Lieferzeit: 5 Werktage

Pos.
121
MAKITA Unterlegscheibe 8 | Ersatzteile für HR4500C | 253165-9
Hersteller: Makita
Artikelnummer: EMK-HR4500C-253165-9
Netto: 4,05 € zzgl. MwSt.
zzgl. 6,90 € Versand (brutto)
einmalig pro Bestellung

Lieferzeit: 5 Werktage

Pos.
122
MAKITA Sechskantmutter M8 | Ersatzteile für HR4500C | 931403-6
Hersteller: Makita
Artikelnummer: EMK-HR4500C-931403-6
Netto: 3,67 € zzgl. MwSt.
zzgl. 6,90 € Versand (brutto)
einmalig pro Bestellung

Lieferzeit: 5 Werktage

Pos.
127
MAKITA Gummistift 4 | Ersatzteile für HR4500C | 263002-9
Hersteller: Makita
Artikelnummer: EMK-HR4500C-263002-9
Netto: 3,86 € zzgl. MwSt.
zzgl. 6,90 € Versand (brutto)
einmalig pro Bestellung

Lieferzeit: 5 Werktage

Pos.
128
MAKITA Halterkappe 6.5-13.5 | Ersatzteile für HR4500C | 643650-4
Hersteller: Makita
Artikelnummer: EMK-HR4500C-643650-4
Netto: 3,86 € zzgl. MwSt.
zzgl. 6,90 € Versand (brutto)
einmalig pro Bestellung

Lieferzeit: 5 Werktage

Pos.
130
MAKITA Firmenschild makita-logo | Ersatzteile für HR4500C | 819064-1
Hersteller: Makita
Artikelnummer: EMK-HR4500C-819064-1
nur Informationsartikel
Nie mehr lieferbar
keine Alternativen
Pos.
131
MAKITA Typenschild HR4500C | Ersatzteile für HR4500C | 852945-6
Hersteller: Makita
Artikelnummer: EMK-HR4500C-852945-6
nur Informationsartikel
Nie mehr lieferbar
keine Alternativen
Pos.
133
MAKITA Seitenhandgriffbasis 75 komplett | Ersatzteile für HR4500C | 152768-5
Hersteller: Makita
Artikelnummer: EMK-HR4500C-152768-5
Netto: 22,04 € zzgl. MwSt.
zzgl. 6,90 € Versand (brutto)
einmalig pro Bestellung

Lieferzeit: 5 Werktage

Pos.
134
MAKITA Seitenhandgriffnocken | Ersatzteile für HR4500C | 417002-3
Hersteller: Makita
Artikelnummer: EMK-HR4500C-417002-3
nur Informationsartikel
Nie mehr lieferbar
keine Alternativen
Pos.
137
MAKITA Seitenhandgriff | Ersatzteile für HR4500C | 417003-1
Hersteller: Makita
Artikelnummer: EMK-HR4500C-417003-1
nur Informationsartikel
Nie mehr lieferbar
keine Alternativen
Pos.
138
MAKITA Sechskantschraube M8X150 | Ersatzteile für HR4500C | 265439-6
Hersteller: Makita
Artikelnummer: EMK-HR4500C-265439-6
nur Informationsartikel
Nie mehr lieferbar
keine Alternativen

Angaben zur Produktsicherheit

Hersteller:
Makita-Werkzeug GmbH
Makita-Platz 1
40885 Ratingen

E-Mail:
info@makita.de