MAKITA Akkusatz BL1016 | Ersatzteile für JV101D | 197393-5

Artikelnummer: EMK-JV101D-197393-5

Position: A05-1

Marke: MAKITA


Bitte Kompatibilität prüfen!

Bitte prüfen Sie unbedingt die Typennummer Ihrer Maschine / Ihres Gerätes. Das Ersatzteil ist nur kompatibel, wenn Sie die Typennummer Ihrer Maschine in der unten stehenden Produktbeschreibung finden.

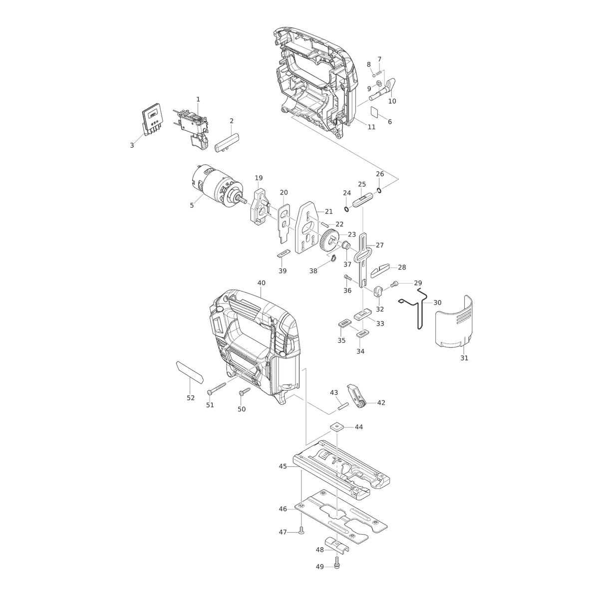
Bitte prüfen Sie ebenfalls detailliert die Explosionszeichnung mit Ihrem Artikelwunsch und der jeweiligen Pos-Nummer.

Alle Elemente, welche vom schwarzen Strich der Pos-Nummer ausgehend berührt / erfasst werden, gehören zu dieser Pos-Nummer und somit zu diesem Artikel. Jede Pos-Nummer ist ein eigenständiger Artikel, welchen Sie in der Auflistung finden.

Sie erhalten stets die aktuellste, neueste Produktversion zu der gewählten Pos-Nummer seitens des Herstellers. Es kann daher je nach Gerätealter vorkommen, dass Sie ggf. weitere, zugehörige Elemente, welche an diese Pos-Nummer grenzen, ebenfalls mittauschen müssen.

Nähere Informationen finden Sie unter dem Link
Hinweise zu Ihrer MAKITA Ersatzteilsuche

Preisübersicht

Einzelpreis: 40,20 €* (Brutto: 47,84 €)
Gesamtpreis: 40,20 €* 
Position:

Lieferzeit: 5 Werktage


Beschreibung

  • Akkusatz BL1016
  • Original MAKITA Zubehör / MAKITA Ersatzteil (197393-5)
  • im Gerät verbaut: 1
Dieses MAKITA Ersatzteil ist mit folgendem Gerät und Modell kompatibel:
  • MAKITA Gerätename: JV101D
  • MAKITA Explosionszeichnung: Position 169772
  • MAKITA Typennummer: JV101D
  • MAKITA Typennummer alternative Schreibweisen: JV-101-D, JV 101 D
    Bitte prüfen Sie diese Typennummer auf Ihrem Gerät um die Kompatibilität des MAKITA Ersatzteils zu gewährleisten.
Weitere MAKITA Ersatzteile des Gerätes JV101D () mit der Typennummer JV101D finden Sie in der nachfolgenden Darstellung und im Dropdown zu Ihrer Auswahl:

Pos.
001
MAKITA Schaltereinheit | Ersatzteile für JV101D | 632G55-5
Hersteller: MAKITA
Artikelnummer: EMK-JV101D-632G55-5
Netto: 25,09 € zzgl. MwSt.
zzgl. 6,90 € Versand (brutto)
einmalig pro Bestellung

Lieferzeit: 5 Werktage

Pos.
010-1
MAKITA Hebel 19 | Ersatzteile für JV101D | 271485-9
Hersteller: MAKITA
Artikelnummer: EMK-JV101D-271485-9
nur Informationsartikel
Nie mehr lieferbar
keine Alternativen
Pos.
052-1
MAKITA Typenschild JV101D | Ersatzteile für JV101D | 852E09-6
Hersteller: MAKITA
Artikelnummer: EMK-JV101D-852E09-6
nur Informationsartikel
Nie mehr lieferbar
keine Alternativen
Pos.
A03
MAKITA Richtlinealsatz | Ersatzteile für JV101D | 192732-4
Hersteller: MAKITA
Artikelnummer: EMK-JV101D-192732-4
Netto: 14,76 € zzgl. MwSt.
zzgl. 6,90 € Versand (brutto)
einmalig pro Bestellung

Lieferzeit: 5 Werktage

Pos.
A04
MAKITA DC10SA BATTERY CHARGER | Ersatzteile für JV101D | DC10SA
Hersteller: MAKITA
Artikelnummer: EMK-JV101D-DC10SA
nur Informationsartikel
Nie mehr lieferbar
keine Alternativen
Pos.
A04
MAKITA DC10WC BATTERY CHARGER | Ersatzteile für JV101D | DC10WC
Hersteller: MAKITA
Artikelnummer: EMK-JV101D-DC10WC
nur Informationsartikel
Nie mehr lieferbar
keine Alternativen
Pos.
A04-1
MAKITA DC10SB BATTERY CHARGER | Ersatzteile für JV101D | DC10SB
Hersteller: MAKITA
Artikelnummer: EMK-JV101D-DC10SB
nur Informationsartikel
Nie mehr lieferbar
keine Alternativen
Pos.
A04-1
MAKITA DC10WD BATTERY CHARGER | Ersatzteile für JV101D | DC10WD
Hersteller: MAKITA
Artikelnummer: EMK-JV101D-DC10WD
nur Informationsartikel
Nie mehr lieferbar
keine Alternativen
Pos.
A05
MAKITA Akkusatz BL1015 | Ersatzteile für JV101D | 197390-1
Hersteller: MAKITA
Artikelnummer: EMK-JV101D-197390-1
nur Informationsartikel
Nie mehr lieferbar
keine Alternativen
Pos.
A05
MAKITA Akkusatz BL1020B | Ersatzteile für JV101D | 197394-3
Hersteller: MAKITA
Artikelnummer: EMK-JV101D-197394-3
nur Informationsartikel
Nie mehr lieferbar
keine Alternativen
Pos.
A05
MAKITA Akkusatz BL1040B | Ersatzteile für JV101D | 197402-0
Hersteller: MAKITA
Artikelnummer: EMK-JV101D-197402-0
nur Informationsartikel
Nie mehr lieferbar
keine Alternativen
Pos.
A05-1
MAKITA Akku BL1021B Set | Ersatzteile für JV101D | 197396-9
Hersteller: MAKITA
Artikelnummer: EMK-JV101D-197396-9
Netto: 43,80 € zzgl. MwSt.
zzgl. 6,90 € Versand (brutto)
einmalig pro Bestellung

Lieferzeit: 5 Werktage

Pos.
A05-1
MAKITA Akku BL1041B Set | Ersatzteile für JV101D | 197406-2
Hersteller: MAKITA
Artikelnummer: EMK-JV101D-197406-2
Netto: 57,00 € zzgl. MwSt.
zzgl. 6,90 € Versand (brutto)
einmalig pro Bestellung

Lieferzeit: 5 Werktage

Pos.
A05-1
MAKITA Akkusatz BL1016 | Ersatzteile für JV101D | 197393-5
Hersteller: MAKITA
Artikelnummer: EMK-JV101D-197393-5
Netto: 40,20 € zzgl. MwSt.
zzgl. 6,90 € Versand (brutto)
einmalig pro Bestellung

Lieferzeit: 5 Werktage

Pos.
A06
MAKITA Kontaktschutzkappe | Ersatzteile für JV101D | 456128-6
Hersteller: MAKITA
Artikelnummer: EMK-JV101D-456128-6
Netto: 3,48 € zzgl. MwSt.
zzgl. 6,90 € Versand (brutto)
einmalig pro Bestellung

Lieferzeit: 5 Werktage

Pos.
A07
MAKITA Transportkoffer | Ersatzteile für JV101D | 821691-2
Hersteller: MAKITA
Artikelnummer: EMK-JV101D-821691-2
nur Informationsartikel
Nie mehr lieferbar
keine Alternativen
Pos.
A08
MAKITA Tiefziehteil | Ersatzteile für JV101D | 838563-4
Hersteller: MAKITA
Artikelnummer: EMK-JV101D-838563-4
Netto: 11,52 € zzgl. MwSt.
zzgl. 6,90 € Versand (brutto)
einmalig pro Bestellung

Lieferzeit: 5 Werktage

Pos.
A09
MAKITA Hinweisaufkleber JV101DSMJ | Ersatzteile für JV101D | 809E79-6
Hersteller: MAKITA
Artikelnummer: EMK-JV101D-809E79-6
nur Informationsartikel
Nie mehr lieferbar
keine Alternativen
Pos.
A09
MAKITA Hinweisaufkleber JV101DY1J | Ersatzteile für JV101D | 809E72-0
Hersteller: MAKITA
Artikelnummer: EMK-JV101D-809E72-0
nur Informationsartikel
Nie mehr lieferbar
keine Alternativen
Pos.
A09-1
MAKITA Hinweisaufkleber JV101DSMJ | Ersatzteile für JV101D | 809E78-8
Hersteller: MAKITA
Artikelnummer: EMK-JV101D-809E78-8
nur Informationsartikel
Nie mehr lieferbar
keine Alternativen
Pos.
C10
MAKITA Gummistift 4 | Ersatzteile für JV101D | 263002-9
Hersteller: MAKITA
Artikelnummer: EMK-JV101D-263002-9
Netto: 3,86 € zzgl. MwSt.
zzgl. 6,90 € Versand (brutto)
einmalig pro Bestellung

Lieferzeit: 5 Werktage

Pos.
C10
MAKITA Leitregel | Ersatzteile für JV101D | 165217-3
Hersteller: MAKITA
Artikelnummer: EMK-JV101D-165217-3
nur Informationsartikel
Nie mehr lieferbar
keine Alternativen
Pos.
C10
MAKITA Verschluss | Ersatzteile für JV101D | 162315-4
Hersteller: MAKITA
Artikelnummer: EMK-JV101D-453974-8
Netto: 4,08 € zzgl. MwSt.
zzgl. 6,90 € Versand (brutto)
einmalig pro Bestellung

Lieferzeit: 5 Werktage

Pos.
C30
MAKITA Knopf 20 | Ersatzteile für JV101D | 271601-3
Hersteller: MAKITA
Artikelnummer: EMK-JV101D-271601-3
nur Informationsartikel
Nie mehr lieferbar
keine Alternativen
Pos.
F03
MAKITA Schlitzplattensatz | Ersatzteile für JV101D | 192557-6
Hersteller: MAKITA
Artikelnummer: EMK-JV101D-192557-6
Netto: 8,88 € zzgl. MwSt.
zzgl. 6,90 € Versand (brutto)
einmalig pro Bestellung

Lieferzeit: 5 Werktage

Pos.
F11
MAKITA Akkusatz BL1016 | Ersatzteile für JV101D | 198968-3
Hersteller: MAKITA
Artikelnummer: EMK-JV101D-198968-3
nur Informationsartikel
Nie mehr lieferbar
keine Alternativen
Pos.
F12
MAKITA Akkusatz BL1016 (2 stk.) | Ersatzteile für JV101D | 198969-1
Hersteller: MAKITA
Artikelnummer: EMK-JV101D-198969-1
nur Informationsartikel
Nie mehr lieferbar
keine Alternativen
Pos.
F13-1
MAKITA Akku BL1021B Set (2 stk.) | Ersatzteile für JV101D | 198970-6
Hersteller: MAKITA
Artikelnummer: EMK-JV101D-198970-6
nur Informationsartikel
Nie mehr lieferbar
keine Alternativen
Pos.
F14-1
MAKITA Akku BL1041B Set (2 stk.) | Ersatzteile für JV101D | 199002-2
Hersteller: MAKITA
Artikelnummer: EMK-JV101D-199002-2
nur Informationsartikel
Nie mehr lieferbar
keine Alternativen
Pos.
F16
MAKITA Platte 10000 Set | Ersatzteile für JV101D | 194416-0
Hersteller: MAKITA
Artikelnummer: EMK-JV101D-194416-0
Netto: 27,84 € zzgl. MwSt.
zzgl. 6,90 € Versand (brutto)
einmalig pro Bestellung

Lieferzeit: 5 Werktage

Pos.
F17
MAKITA Gummiplatte 10000 Set | Ersatzteile für JV101D | 194417-8
Hersteller: MAKITA
Artikelnummer: EMK-JV101D-194417-8
Netto: 37,08 € zzgl. MwSt.
zzgl. 6,90 € Versand (brutto)
einmalig pro Bestellung

Lieferzeit: 5 Werktage

Pos.
F18
MAKITA Positionsplatte 1400 Set | Ersatzteile für JV101D | 194418-6
Hersteller: MAKITA
Artikelnummer: EMK-JV101D-194418-6
Netto: 9,48 € zzgl. MwSt.
zzgl. 6,90 € Versand (brutto)
einmalig pro Bestellung

Lieferzeit: 5 Werktage

Pos.
F19
MAKITA Positionsplatte 1900 Set | Ersatzteile für JV101D | 194910-2
Hersteller: MAKITA
Artikelnummer: EMK-JV101D-194910-2
nur Informationsartikel
Nie mehr lieferbar
keine Alternativen
Pos.
G49
MAKITA Druckklammer-Set | Ersatzteile für JV101D | 1913K5-7
Hersteller: MAKITA
Artikelnummer: EMK-JV101D-1913K5-7
Netto: 27,36 € zzgl. MwSt.
zzgl. 6,90 € Versand (brutto)
einmalig pro Bestellung

Lieferzeit: 5 Werktage

Pos.
002
MAKITA Verriegelungsknopf | Ersatzteile für JV101D | 454742-2
Hersteller: MAKITA
Artikelnummer: EMK-JV101D-454742-2
nur Informationsartikel
Nie mehr lieferbar
keine Alternativen
Pos.
003
MAKITA Klemme | Ersatzteile für JV101D | 644813-5
Hersteller: MAKITA
Artikelnummer: EMK-JV101D-644813-5
Netto: 7,00 € zzgl. MwSt.
zzgl. 6,90 € Versand (brutto)
einmalig pro Bestellung

Lieferzeit: 5 Werktage

Pos.
005
MAKITA Gleichstrommotor | Ersatzteile für JV101D | 629213-0
Hersteller: MAKITA
Artikelnummer: EMK-JV101D-629213-0
Netto: 25,09 € zzgl. MwSt.
zzgl. 6,90 € Versand (brutto)
einmalig pro Bestellung

Lieferzeit: 5 Werktage

Pos.
007
MAKITA Druckfeder 4 | Ersatzteile für JV101D | 233151-6
Hersteller: MAKITA
Artikelnummer: EMK-JV101D-233151-6
Netto: 3,48 € zzgl. MwSt.
zzgl. 6,90 € Versand (brutto)
einmalig pro Bestellung

Lieferzeit: 5 Werktage

Pos.
008
MAKITA Stahlkugel 4 | Ersatzteile für JV101D | 216008-6
Hersteller: MAKITA
Artikelnummer: EMK-JV101D-216008-6
Netto: 3,86 € zzgl. MwSt.
zzgl. 6,90 € Versand (brutto)
einmalig pro Bestellung

Lieferzeit: 5 Werktage

Pos.
009
MAKITA Anschlagring (EXT) E-4 | Ersatzteile für JV101D | 961011-9
Hersteller: MAKITA
Artikelnummer: EMK-JV101D-961011-9
Netto: 3,86 € zzgl. MwSt.
zzgl. 6,90 € Versand (brutto)
einmalig pro Bestellung

Lieferzeit: 5 Werktage

Pos.
010
MAKITA Hebel 19 | Ersatzteile für JV101D | 272267-2
Hersteller: MAKITA
Artikelnummer: EMK-JV101D-272267-2
nur Informationsartikel
Nie mehr lieferbar
keine Alternativen
Pos.
020
MAKITA Druckplatte | Ersatzteile für JV101D | 344683-9
Hersteller: MAKITA
Artikelnummer: EMK-JV101D-344683-9
Netto: 4,52 € zzgl. MwSt.
zzgl. 6,90 € Versand (brutto)
einmalig pro Bestellung

Lieferzeit: 5 Werktage

Pos.
021
MAKITA Ausgleichsplatte | Ersatzteile für JV101D | 344614-8
Hersteller: MAKITA
Artikelnummer: EMK-JV101D-344614-8
Netto: 9,66 € zzgl. MwSt.
zzgl. 6,90 € Versand (brutto)
einmalig pro Bestellung

Lieferzeit: 5 Werktage

Pos.
022
MAKITA Stift 3 | Ersatzteile für JV101D | 256254-9
Hersteller: MAKITA
Artikelnummer: EMK-JV101D-256254-9
Netto: 4,05 € zzgl. MwSt.
zzgl. 6,90 € Versand (brutto)
einmalig pro Bestellung

Lieferzeit: 5 Werktage

Pos.
023
MAKITA Stirnrad kpl. | Ersatzteile für JV101D | 153260-4
Hersteller: MAKITA
Artikelnummer: EMK-JV101D-153260-4
Netto: 14,90 € zzgl. MwSt.
zzgl. 6,90 € Versand (brutto)
einmalig pro Bestellung

Lieferzeit: 5 Werktage

Pos.
024
MAKITA O-Ring 5 | Ersatzteile für JV101D | 213038-8
Hersteller: MAKITA
Artikelnummer: EMK-JV101D-213038-8
Netto: 3,48 € zzgl. MwSt.
zzgl. 6,90 € Versand (brutto)
einmalig pro Bestellung

Lieferzeit: 5 Werktage

Pos.
027
MAKITA Schieber | Ersatzteile für JV101D | 344613-0
Hersteller: MAKITA
Artikelnummer: EMK-JV101D-344613-0
Netto: 10,24 € zzgl. MwSt.
zzgl. 6,90 € Versand (brutto)
einmalig pro Bestellung

Lieferzeit: 5 Werktage

Pos.
028
MAKITA Spindelarretierung | Ersatzteile für JV101D | 232183-0
Hersteller: MAKITA
Artikelnummer: EMK-JV101D-232183-0
Netto: 3,48 € zzgl. MwSt.
zzgl. 6,90 € Versand (brutto)
einmalig pro Bestellung

Lieferzeit: 5 Werktage

Pos.
029
MAKITA Innensechskantkopfschraube M4X8 | Ersatzteile für JV101D | 922107-1
Hersteller: MAKITA
Artikelnummer: EMK-JV101D-922107-1
nur Informationsartikel
Nie mehr lieferbar
keine Alternativen
Pos.
031
MAKITA Staubschutzabdeckung | Ersatzteile für JV101D | 416476-5
Hersteller: MAKITA
Artikelnummer: EMK-JV101D-416476-5
nur Informationsartikel
Nie mehr lieferbar
keine Alternativen
Pos.
032
MAKITA Messerklemme | Ersatzteile für JV101D | 313140-8
Hersteller: MAKITA
Artikelnummer: EMK-JV101D-313140-8
Netto: 10,24 € zzgl. MwSt.
zzgl. 6,90 € Versand (brutto)
einmalig pro Bestellung

Lieferzeit: 5 Werktage

Pos.
034
MAKITA Kunststoffdichtung | Ersatzteile für JV101D | 423307-1
Hersteller: MAKITA
Artikelnummer: EMK-JV101D-423307-1
Netto: 3,48 € zzgl. MwSt.
zzgl. 6,90 € Versand (brutto)
einmalig pro Bestellung

Lieferzeit: 5 Werktage

Pos.
035
MAKITA Dichtungsplatte | Ersatzteile für JV101D | 344686-3
Hersteller: MAKITA
Artikelnummer: EMK-JV101D-344686-3
Netto: 3,48 € zzgl. MwSt.
zzgl. 6,90 € Versand (brutto)
einmalig pro Bestellung

Lieferzeit: 5 Werktage

Pos.
036
MAKITA Innensechskantkopfschraube M3X10 | Ersatzteile für JV101D | 266177-3
Hersteller: MAKITA
Artikelnummer: EMK-JV101D-266177-3
Netto: 3,48 € zzgl. MwSt.
zzgl. 6,90 € Versand (brutto)
einmalig pro Bestellung

Lieferzeit: 5 Werktage

Pos.
038
MAKITA Haltering (EXT) S-6 | Ersatzteile für JV101D | 961002-0
Hersteller: MAKITA
Artikelnummer: EMK-JV101D-961002-0
nur Informationsartikel
Nie mehr lieferbar
keine Alternativen
Pos.
039
MAKITA Staubdichtung | Ersatzteile für JV101D | 416703-0
Hersteller: MAKITA
Artikelnummer: EMK-JV101D-416703-0
Netto: 3,48 € zzgl. MwSt.
zzgl. 6,90 € Versand (brutto)
einmalig pro Bestellung

Lieferzeit: 5 Werktage

Pos.
042
MAKITA Halter komplett | Ersatzteile für JV101D | 158392-2
Hersteller: MAKITA
Artikelnummer: EMK-JV101D-158392-2
Netto: 8,43 € zzgl. MwSt.
zzgl. 6,90 € Versand (brutto)
einmalig pro Bestellung

Lieferzeit: 5 Werktage

Pos.
043
MAKITA Stift 4 | Ersatzteile für JV101D | 256117-9
Hersteller: MAKITA
Artikelnummer: EMK-JV101D-256117-9
Netto: 4,05 € zzgl. MwSt.
zzgl. 6,90 € Versand (brutto)
einmalig pro Bestellung

Lieferzeit: 5 Werktage

Pos.
044
MAKITA Halter | Ersatzteile für JV101D | 343540-8
Hersteller: MAKITA
Artikelnummer: EMK-JV101D-343540-8
Netto: 4,24 € zzgl. MwSt.
zzgl. 6,90 € Versand (brutto)
einmalig pro Bestellung

Lieferzeit: 5 Werktage

Pos.
045
MAKITA Basis | Ersatzteile für JV101D | 317796-9
Hersteller: MAKITA
Artikelnummer: EMK-JV101D-317796-9
Netto: 10,81 € zzgl. MwSt.
zzgl. 6,90 € Versand (brutto)
einmalig pro Bestellung

Lieferzeit: 5 Werktage

Pos.
046
MAKITA Grundplatte | Ersatzteile für JV101D | 345441-6
Hersteller: MAKITA
Artikelnummer: EMK-JV101D-345441-6
Netto: 7,00 € zzgl. MwSt.
zzgl. 6,90 € Versand (brutto)
einmalig pro Bestellung

Lieferzeit: 5 Werktage

Pos.
047
MAKITA Senkkopfschraube M4X8 | Ersatzteile für JV101D | 912107-9
Hersteller: MAKITA
Artikelnummer: EMK-JV101D-912107-9
Netto: 3,86 € zzgl. MwSt.
zzgl. 6,90 € Versand (brutto)
einmalig pro Bestellung

Lieferzeit: 5 Werktage

Pos.
048
MAKITA Klemmplatte | Ersatzteile für JV101D | 344685-5
Hersteller: MAKITA
Artikelnummer: EMK-JV101D-344685-5
Netto: 4,24 € zzgl. MwSt.
zzgl. 6,90 € Versand (brutto)
einmalig pro Bestellung

Lieferzeit: 5 Werktage

Pos.
049
MAKITA Innensechskantkopfschraube M4X16 WR | Ersatzteile für JV101D | 922128-3
Hersteller: MAKITA
Artikelnummer: EMK-JV101D-922128-3
Netto: 3,86 € zzgl. MwSt.
zzgl. 6,90 € Versand (brutto)
einmalig pro Bestellung

Lieferzeit: 5 Werktage

Pos.
050
MAKITA Bindekopf-Blechschraube 4X18 | Ersatzteile für JV101D | 266326-2
Hersteller: MAKITA
Artikelnummer: EMK-JV101D-266326-2
Netto: 3,48 € zzgl. MwSt.
zzgl. 6,90 € Versand (brutto)
einmalig pro Bestellung

Lieferzeit: 5 Werktage

Pos.
051
MAKITA Bindekopf-Blechschraube 4X35 | Ersatzteile für JV101D | 266351-3
Hersteller: MAKITA
Artikelnummer: EMK-JV101D-266351-3
Netto: 3,48 € zzgl. MwSt.
zzgl. 6,90 € Versand (brutto)
einmalig pro Bestellung

Lieferzeit: 5 Werktage

Pos.
052
MAKITA Typenschild JV101D | Ersatzteile für JV101D | 852E10-1
Hersteller: MAKITA
Artikelnummer: EMK-JV101D-852E10-1
nur Informationsartikel
Nie mehr lieferbar
keine Alternativen

Angaben zur Produktsicherheit

Hersteller:
Makita-Werkzeug GmbH
Makita-Platz 1
40885 Ratingen

E-Mail:
info@makita.de