MAKITA Halter komplett | Ersatzteile für JV102D | 144629-3

Artikelnummer: EMK-JV102D-144629-3

Position: 009

Marke: Makita


Bitte Kompatibilität prüfen!

Bitte prüfen Sie unbedingt die Typennummer Ihrer Maschine / Ihres Gerätes. Das Ersatzteil ist nur kompatibel, wenn Sie die Typennummer Ihrer Maschine in der unten stehenden Produktbeschreibung finden.

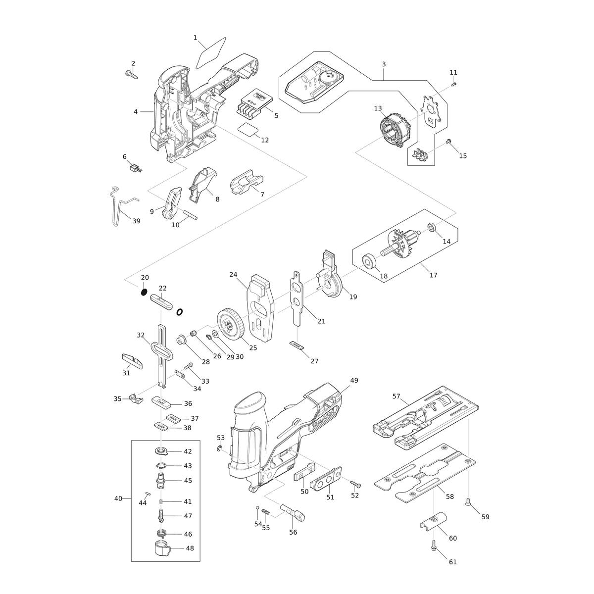
Bitte prüfen Sie ebenfalls detailliert die Explosionszeichnung mit Ihrem Artikelwunsch und der jeweiligen Pos-Nummer.

Alle Elemente, welche vom schwarzen Strich der Pos-Nummer ausgehend berührt / erfasst werden, gehören zu dieser Pos-Nummer und somit zu diesem Artikel. Jede Pos-Nummer ist ein eigenständiger Artikel, welchen Sie in der Auflistung finden.

Sie erhalten stets die aktuellste, neueste Produktversion zu der gewählten Pos-Nummer seitens des Herstellers. Es kann daher je nach Gerätealter vorkommen, dass Sie ggf. weitere, zugehörige Elemente, welche an diese Pos-Nummer grenzen, ebenfalls mittauschen müssen.

Nähere Informationen finden Sie unter dem Link
Hinweise zu Ihrer MAKITA Ersatzteilsuche

Preisübersicht

Einzelpreis: 10,24 €* (Brutto: 12,19 €)
Gesamtpreis: 10,24 €* 
Position:

Lieferzeit: 5 Werktage


Beschreibung

  • Halter komplett
  • Original MAKITA Zubehör / MAKITA Ersatzteil (144629-3)
  • im Gerät verbaut: 1
Dieses MAKITA Ersatzteil ist mit folgendem Gerät und Modell kompatibel:
  • MAKITA Gerätename: JV102D
  • MAKITA Explosionszeichnung: Position 175089
  • MAKITA Typennummer: JV102D
  • MAKITA Typennummer alternative Schreibweisen: JV-102-D, JV 102 D
    Bitte prüfen Sie diese Typennummer auf Ihrem Gerät um die Kompatibilität des MAKITA Ersatzteils zu gewährleisten.
Weitere MAKITA Ersatzteile des Gerätes JV102D (Akku-Pendelhubstichsäge) mit der Typennummer JV102D finden Sie in der nachfolgenden Darstellung und im Dropdown zu Ihrer Auswahl:

Pos.
001
MAKITA Typenschild JV102D | Ersatzteile für JV102D | 853P44-3
Hersteller: Makita
Artikelnummer: EMK-JV102D-853P44-3
Netto: 3,48 € zzgl. MwSt.
zzgl. 6,90 € Versand (brutto)
einmalig pro Bestellung

Lieferzeit: 5 Werktage

Pos.
001-1
MAKITA Typenschild JV102D | Ersatzteile für JV102D | 853P43-5
Hersteller: Makita
Artikelnummer: EMK-JV102D-853P43-5
nur Informationsartikel
Nie mehr lieferbar
keine Alternativen
Pos.
003-1
MAKITA Controller | Ersatzteile für JV102D | 620906-2
Hersteller: Makita
Artikelnummer: EMK-JV102D-620906-2
Netto: 75,83 € zzgl. MwSt.
zzgl. 6,90 € Versand (brutto)
einmalig pro Bestellung

Lieferzeit: 5 Werktage

Pos.
056-1
MAKITA Hebel 19 | Ersatzteile für JV102D | 271486-7
Hersteller: Makita
Artikelnummer: EMK-JV102D-271486-7
nur Informationsartikel
Nie mehr lieferbar
keine Alternativen
Pos.
A03
MAKITA Deckplatte | Ersatzteile für JV102D | 457867-1
Hersteller: Makita
Artikelnummer: EMK-JV102D-457867-1
Netto: 3,96 € zzgl. MwSt.
zzgl. 6,90 € Versand (brutto)
einmalig pro Bestellung

Lieferzeit: 5 Werktage

Pos.
A05
MAKITA Tiefziehteil | Ersatzteile für JV102D | 839186-1
Hersteller: Makita
Artikelnummer: EMK-JV102D-839186-1
Netto: 11,52 € zzgl. MwSt.
zzgl. 6,90 € Versand (brutto)
einmalig pro Bestellung

Lieferzeit: 5 Werktage

Pos.
A06
MAKITA Hinweisaufkleber JV102DSAJ | Ersatzteile für JV102D | 813P13-6
Hersteller: Makita
Artikelnummer: EMK-JV102D-813P13-6
nur Informationsartikel
Nie mehr lieferbar
keine Alternativen
Pos.
A06
MAKITA Hinweisaufkleber JV102DSMJ | Ersatzteile für JV102D | 813P20-9
Hersteller: Makita
Artikelnummer: EMK-JV102D-813P20-9
nur Informationsartikel
Nie mehr lieferbar
keine Alternativen
Pos.
A06
MAKITA Hinweisaufkleber JV102DWAJ | Ersatzteile für JV102D | 813P06-3
Hersteller: Makita
Artikelnummer: EMK-JV102D-813P06-3
nur Informationsartikel
Nie mehr lieferbar
keine Alternativen
Pos.
A06
MAKITA Hinweisaufkleber JV102DY1J | Ersatzteile für JV102D | 813N95-6
Hersteller: Makita
Artikelnummer: EMK-JV102D-813N95-6
nur Informationsartikel
Nie mehr lieferbar
keine Alternativen
Pos.
A08
MAKITA Akkusatz BL1015 | Ersatzteile für JV102D | 197390-1
Hersteller: Makita
Artikelnummer: EMK-JV102D-197390-1
nur Informationsartikel
Nie mehr lieferbar
keine Alternativen
Pos.
A08
MAKITA Akkusatz BL1020B | Ersatzteile für JV102D | 197394-3
Hersteller: Makita
Artikelnummer: EMK-JV102D-197394-3
nur Informationsartikel
Nie mehr lieferbar
keine Alternativen
Pos.
A08
MAKITA Akkusatz BL1040B | Ersatzteile für JV102D | 197402-0
Hersteller: Makita
Artikelnummer: EMK-JV102D-197402-0
nur Informationsartikel
Nie mehr lieferbar
keine Alternativen
Pos.
A08-1
MAKITA Akku BL1021B Set | Ersatzteile für JV102D | 197396-9
Hersteller: Makita
Artikelnummer: EMK-JV102D-197396-9
Netto: 43,80 € zzgl. MwSt.
zzgl. 6,90 € Versand (brutto)
einmalig pro Bestellung

Lieferzeit: 5 Werktage

Pos.
A08-1
MAKITA Akku BL1041B Set | Ersatzteile für JV102D | 197406-2
Hersteller: Makita
Artikelnummer: EMK-JV102D-197406-2
Netto: 57,00 € zzgl. MwSt.
zzgl. 6,90 € Versand (brutto)
einmalig pro Bestellung

Lieferzeit: 5 Werktage

Pos.
A08-1
MAKITA Akkusatz BL1016 | Ersatzteile für JV102D | 197393-5
Hersteller: Makita
Artikelnummer: EMK-JV102D-197393-5
Netto: 40,20 € zzgl. MwSt.
zzgl. 6,90 € Versand (brutto)
einmalig pro Bestellung

Lieferzeit: 5 Werktage

Pos.
A09
MAKITA DC10SA BATTERY CHARGER | Ersatzteile für JV102D | DC10SA
Hersteller: Makita
Artikelnummer: EMK-JV102D-DC10SA
nur Informationsartikel
Nie mehr lieferbar
keine Alternativen
Pos.
A09
MAKITA DC10WC BATTERY CHARGER | Ersatzteile für JV102D | DC10WC
Hersteller: Makita
Artikelnummer: EMK-JV102D-DC10WC
nur Informationsartikel
Nie mehr lieferbar
keine Alternativen
Pos.
A09-1
MAKITA DC10SB BATTERY CHARGER | Ersatzteile für JV102D | DC10SB
Hersteller: Makita
Artikelnummer: EMK-JV102D-DC10SB
nur Informationsartikel
Nie mehr lieferbar
keine Alternativen
Pos.
A09-1
MAKITA DC10WD BATTERY CHARGER | Ersatzteile für JV102D | DC10WD
Hersteller: Makita
Artikelnummer: EMK-JV102D-DC10WD
nur Informationsartikel
Nie mehr lieferbar
keine Alternativen
Pos.
A10
MAKITA Kontaktschutzkappe | Ersatzteile für JV102D | 456128-6
Hersteller: Makita
Artikelnummer: EMK-JV102D-456128-6
Netto: 3,48 € zzgl. MwSt.
zzgl. 6,90 € Versand (brutto)
einmalig pro Bestellung

Lieferzeit: 5 Werktage

Pos.
A11
MAKITA Absaugstutzen | Ersatzteile für JV102D | 457801-1
Hersteller: Makita
Artikelnummer: EMK-JV102D-457801-1
Netto: 6,24 € zzgl. MwSt.
zzgl. 6,90 € Versand (brutto)
einmalig pro Bestellung

Lieferzeit: 5 Werktage

Pos.
A12
MAKITA Staubschutzabdeckung | Ersatzteile für JV102D | 458191-5
Hersteller: Makita
Artikelnummer: EMK-JV102D-458191-5
Netto: 4,08 € zzgl. MwSt.
zzgl. 6,90 € Versand (brutto)
einmalig pro Bestellung

Lieferzeit: 5 Werktage

Pos.
C10
MAKITA Verschluss | Ersatzteile für JV102D | 453974-8
Hersteller: Makita
Artikelnummer: EMK-JV102D-453974-8
Netto: 4,20 € zzgl. MwSt.
zzgl. 6,90 € Versand (brutto)
einmalig pro Bestellung

Lieferzeit: 5 Werktage

Pos.
F01
MAKITA Schlitzplattensatz | Ersatzteile für JV102D | 192557-6
Hersteller: Makita
Artikelnummer: EMK-JV102D-192557-6
Netto: 8,88 € zzgl. MwSt.
zzgl. 6,90 € Versand (brutto)
einmalig pro Bestellung

Lieferzeit: 5 Werktage

Pos.
F07
MAKITA Platte 10000 Set | Ersatzteile für JV102D | 194416-0
Hersteller: Makita
Artikelnummer: EMK-JV102D-194416-0
Netto: 27,84 € zzgl. MwSt.
zzgl. 6,90 € Versand (brutto)
einmalig pro Bestellung

Lieferzeit: 5 Werktage

Pos.
F08
MAKITA Gummiplatte 10000 Set | Ersatzteile für JV102D | 194417-8
Hersteller: Makita
Artikelnummer: EMK-JV102D-194417-8
Netto: 37,08 € zzgl. MwSt.
zzgl. 6,90 € Versand (brutto)
einmalig pro Bestellung

Lieferzeit: 5 Werktage

Pos.
F10
MAKITA Akkusatz BL1016 | Ersatzteile für JV102D | 198968-3
Hersteller: Makita
Artikelnummer: EMK-JV102D-198968-3
nur Informationsartikel
Nie mehr lieferbar
keine Alternativen
Pos.
F11
MAKITA Akkusatz BL1016 (2 stk.) | Ersatzteile für JV102D | 198969-1
Hersteller: Makita
Artikelnummer: EMK-JV102D-198969-1
nur Informationsartikel
Nie mehr lieferbar
keine Alternativen
Pos.
F12-1
MAKITA Akku BL1021B Set (2 stk.) | Ersatzteile für JV102D | 198970-6
Hersteller: Makita
Artikelnummer: EMK-JV102D-198970-6
nur Informationsartikel
Nie mehr lieferbar
keine Alternativen
Pos.
F13-1
MAKITA Akku BL1041B Set (2 stk.) | Ersatzteile für JV102D | 199002-2
Hersteller: Makita
Artikelnummer: EMK-JV102D-199002-2
nur Informationsartikel
Nie mehr lieferbar
keine Alternativen
Pos.
F16
MAKITA Positionsplatte 1400 Set | Ersatzteile für JV102D | 194418-6
Hersteller: Makita
Artikelnummer: EMK-JV102D-194418-6
Netto: 9,48 € zzgl. MwSt.
zzgl. 6,90 € Versand (brutto)
einmalig pro Bestellung

Lieferzeit: 5 Werktage

Pos.
F17
MAKITA Positionsplatte 1900 Set | Ersatzteile für JV102D | 194910-2
Hersteller: Makita
Artikelnummer: EMK-JV102D-194910-2
nur Informationsartikel
Nie mehr lieferbar
keine Alternativen
Pos.
G49
MAKITA Druckklammer-Set | Ersatzteile für JV102D | 1913K5-7
Hersteller: Makita
Artikelnummer: EMK-JV102D-1913K5-7
Netto: 27,36 € zzgl. MwSt.
zzgl. 6,90 € Versand (brutto)
einmalig pro Bestellung

Lieferzeit: 5 Werktage

Pos.
002
MAKITA Bindekopf-Blechschraube 4X18 | Ersatzteile für JV102D | 266326-2
Hersteller: Makita
Artikelnummer: EMK-JV102D-266326-2
Netto: 3,48 € zzgl. MwSt.
zzgl. 6,90 € Versand (brutto)
einmalig pro Bestellung

Lieferzeit: 5 Werktage

Pos.
003
MAKITA Controller | Ersatzteile für JV102D | 620710-9
Hersteller: Makita
Artikelnummer: EMK-JV102D-620710-9
Netto: 93,15 € zzgl. MwSt.
zzgl. 6,90 € Versand (brutto)
einmalig pro Bestellung

Lieferzeit: 5 Werktage

Pos.
005
MAKITA Klemme | Ersatzteile für JV102D | 644813-5
Hersteller: Makita
Artikelnummer: EMK-JV102D-644813-5
Netto: 7,00 € zzgl. MwSt.
zzgl. 6,90 € Versand (brutto)
einmalig pro Bestellung

Lieferzeit: 5 Werktage

Pos.
006
MAKITA LED-Schaltung | Ersatzteile für JV102D | 620712-5
Hersteller: Makita
Artikelnummer: EMK-JV102D-620712-5
Netto: 8,43 € zzgl. MwSt.
zzgl. 6,90 € Versand (brutto)
einmalig pro Bestellung

Lieferzeit: 5 Werktage

Pos.
007
MAKITA Halter | Ersatzteile für JV102D | 347251-7
Hersteller: Makita
Artikelnummer: EMK-JV102D-347251-7
Netto: 3,86 € zzgl. MwSt.
zzgl. 6,90 € Versand (brutto)
einmalig pro Bestellung

Lieferzeit: 5 Werktage

Pos.
009
MAKITA Halter komplett | Ersatzteile für JV102D | 144629-3
Hersteller: Makita
Artikelnummer: EMK-JV102D-144629-3
Netto: 10,24 € zzgl. MwSt.
zzgl. 6,90 € Versand (brutto)
einmalig pro Bestellung

Lieferzeit: 5 Werktage

Pos.
010
MAKITA Stift 4 | Ersatzteile für JV102D | 256206-0
Hersteller: Makita
Artikelnummer: EMK-JV102D-256206-0
Netto: 4,05 € zzgl. MwSt.
zzgl. 6,90 € Versand (brutto)
einmalig pro Bestellung

Lieferzeit: 5 Werktage

Pos.
011
MAKITA Zylinderschraube 2X6 | Ersatzteile für JV102D | 266490-9
Hersteller: Makita
Artikelnummer: EMK-JV102D-266490-9
Netto: 3,48 € zzgl. MwSt.
zzgl. 6,90 € Versand (brutto)
einmalig pro Bestellung

Lieferzeit: 5 Werktage

Pos.
012
MAKITA Serien-nr-schild JV102D | Ersatzteile für JV102D | 853P50-8
Hersteller: Makita
Artikelnummer: EMK-JV102D-853P50-8
nur Informationsartikel
Nie mehr lieferbar
keine Alternativen
Pos.
013
MAKITA Stator | Ersatzteile für JV102D | 629281-3
Hersteller: Makita
Artikelnummer: EMK-JV102D-629281-3
Netto: 13,38 € zzgl. MwSt.
zzgl. 6,90 € Versand (brutto)
einmalig pro Bestellung

Lieferzeit: 5 Werktage

Pos.
014
MAKITA Kugellager 695ZZ | Ersatzteile für JV102D | 211157-4
Hersteller: Makita
Artikelnummer: EMK-JV102D-211157-4
Netto: 5,48 € zzgl. MwSt.
zzgl. 6,90 € Versand (brutto)
einmalig pro Bestellung

Lieferzeit: 5 Werktage

Pos.
015
MAKITA Flachkopfschraube M3X6 | Ersatzteile für JV102D | 652069-6
Hersteller: Makita
Artikelnummer: EMK-JV102D-652069-6
Netto: 3,48 € zzgl. MwSt.
zzgl. 6,90 € Versand (brutto)
einmalig pro Bestellung

Lieferzeit: 5 Werktage

Pos.
017
MAKITA Rotorbaugruppe | Ersatzteile für JV102D | 519452-9
Hersteller: Makita
Artikelnummer: EMK-JV102D-519452-9
Netto: 18,99 € zzgl. MwSt.
zzgl. 6,90 € Versand (brutto)
einmalig pro Bestellung

Lieferzeit: 5 Werktage

Pos.
018
MAKITA Kugellager 608DDW | Ersatzteile für JV102D | 210005-4
Hersteller: Makita
Artikelnummer: EMK-JV102D-210005-4
Netto: 10,24 € zzgl. MwSt.
zzgl. 6,90 € Versand (brutto)
einmalig pro Bestellung

Lieferzeit: 5 Werktage

Pos.
020
MAKITA O-Ring 5 | Ersatzteile für JV102D | 213038-8
Hersteller: Makita
Artikelnummer: EMK-JV102D-213038-8
Netto: 3,48 € zzgl. MwSt.
zzgl. 6,90 € Versand (brutto)
einmalig pro Bestellung

Lieferzeit: 5 Werktage

Pos.
021
MAKITA Druckplatte | Ersatzteile für JV102D | 347249-4
Hersteller: Makita
Artikelnummer: EMK-JV102D-347249-4
Netto: 4,81 € zzgl. MwSt.
zzgl. 6,90 € Versand (brutto)
einmalig pro Bestellung

Lieferzeit: 5 Werktage

Pos.
024
MAKITA Ausgleichsplatte | Ersatzteile für JV102D | 310812-6
Hersteller: Makita
Artikelnummer: EMK-JV102D-310812-6
Netto: 10,24 € zzgl. MwSt.
zzgl. 6,90 € Versand (brutto)
einmalig pro Bestellung

Lieferzeit: 5 Werktage

Pos.
025
MAKITA Stirnrad kpl. | Ersatzteile für JV102D | 144630-8
Hersteller: Makita
Artikelnummer: EMK-JV102D-144630-8
Netto: 23,09 € zzgl. MwSt.
zzgl. 6,90 € Versand (brutto)
einmalig pro Bestellung

Lieferzeit: 5 Werktage

Pos.
027
MAKITA Staubdichtung | Ersatzteile für JV102D | 416703-0
Hersteller: Makita
Artikelnummer: EMK-JV102D-416703-0
Netto: 3,48 € zzgl. MwSt.
zzgl. 6,90 € Versand (brutto)
einmalig pro Bestellung

Lieferzeit: 5 Werktage

Pos.
029
MAKITA Haltering (EXT) S-6 | Ersatzteile für JV102D | 961002-0
Hersteller: Makita
Artikelnummer: EMK-JV102D-961002-0
nur Informationsartikel
Nie mehr lieferbar
keine Alternativen
Pos.
030
MAKITA Unterlegscheibe 6 | Ersatzteile für JV102D | 253715-0
Hersteller: Makita
Artikelnummer: EMK-JV102D-253715-0
Netto: 3,67 € zzgl. MwSt.
zzgl. 6,90 € Versand (brutto)
einmalig pro Bestellung

Lieferzeit: 5 Werktage

Pos.
031
MAKITA Spindelarretierung | Ersatzteile für JV102D | 232183-0
Hersteller: Makita
Artikelnummer: EMK-JV102D-232183-0
Netto: 3,48 € zzgl. MwSt.
zzgl. 6,90 € Versand (brutto)
einmalig pro Bestellung

Lieferzeit: 5 Werktage

Pos.
032
MAKITA Schieber | Ersatzteile für JV102D | 347250-9
Hersteller: Makita
Artikelnummer: EMK-JV102D-347250-9
Netto: 5,19 € zzgl. MwSt.
zzgl. 6,90 € Versand (brutto)
einmalig pro Bestellung

Lieferzeit: 5 Werktage

Pos.
033
MAKITA Innensechskantkopfschraube M3X10 | Ersatzteile für JV102D | 266177-3
Hersteller: Makita
Artikelnummer: EMK-JV102D-266177-3
Netto: 3,48 € zzgl. MwSt.
zzgl. 6,90 € Versand (brutto)
einmalig pro Bestellung

Lieferzeit: 5 Werktage

Pos.
034
MAKITA Platte | Ersatzteile für JV102D | 347247-8
Hersteller: Makita
Artikelnummer: EMK-JV102D-347247-8
Netto: 3,48 € zzgl. MwSt.
zzgl. 6,90 € Versand (brutto)
einmalig pro Bestellung

Lieferzeit: 5 Werktage

Pos.
035
MAKITA Messerklemme | Ersatzteile für JV102D | 310811-8
Hersteller: Makita
Artikelnummer: EMK-JV102D-310811-8
Netto: 5,48 € zzgl. MwSt.
zzgl. 6,90 € Versand (brutto)
einmalig pro Bestellung

Lieferzeit: 5 Werktage

Pos.
037
MAKITA Dichtungsplatte | Ersatzteile für JV102D | 344686-3
Hersteller: Makita
Artikelnummer: EMK-JV102D-344686-3
Netto: 3,48 € zzgl. MwSt.
zzgl. 6,90 € Versand (brutto)
einmalig pro Bestellung

Lieferzeit: 5 Werktage

Pos.
038
MAKITA Kunststoffdichtung | Ersatzteile für JV102D | 423307-1
Hersteller: Makita
Artikelnummer: EMK-JV102D-423307-1
Netto: 3,48 € zzgl. MwSt.
zzgl. 6,90 € Versand (brutto)
einmalig pro Bestellung

Lieferzeit: 5 Werktage

Pos.
041
MAKITA Druckfeder 4 | Ersatzteile für JV102D | 233314-4
Hersteller: Makita
Artikelnummer: EMK-JV102D-233314-4
Netto: 3,86 € zzgl. MwSt.
zzgl. 6,90 € Versand (brutto)
einmalig pro Bestellung

Lieferzeit: 5 Werktage

Pos.
042
MAKITA Staubschutzabdeckung | Ersatzteile für JV102D | 424437-1
Hersteller: Makita
Artikelnummer: EMK-JV102D-424437-1
Netto: 5,19 € zzgl. MwSt.
zzgl. 6,90 € Versand (brutto)
einmalig pro Bestellung

Lieferzeit: 5 Werktage

Pos.
043
MAKITA Haltering (INT) rund R-13 | Ersatzteile für JV102D | 962063-3
Hersteller: Makita
Artikelnummer: EMK-JV102D-962063-3
Netto: 3,67 € zzgl. MwSt.
zzgl. 6,90 € Versand (brutto)
einmalig pro Bestellung

Lieferzeit: 5 Werktage

Pos.
044
MAKITA Stift 2 | Ersatzteile für JV102D | 256528-8
Hersteller: Makita
Artikelnummer: EMK-JV102D-256528-8
Netto: 4,52 € zzgl. MwSt.
zzgl. 6,90 € Versand (brutto)
einmalig pro Bestellung

Lieferzeit: 5 Werktage

Pos.
046
MAKITA Torsionsfeder 10 | Ersatzteile für JV102D | 233591-8
Hersteller: Makita
Artikelnummer: EMK-JV102D-233591-8
Netto: 3,86 € zzgl. MwSt.
zzgl. 6,90 € Versand (brutto)
einmalig pro Bestellung

Lieferzeit: 5 Werktage

Pos.
047
MAKITA Arretierstift | Ersatzteile für JV102D | 310485-5
Hersteller: Makita
Artikelnummer: EMK-JV102D-310485-5
Netto: 6,14 € zzgl. MwSt.
zzgl. 6,90 € Versand (brutto)
einmalig pro Bestellung

Lieferzeit: 5 Werktage

Pos.
048
MAKITA Einschubhalter | Ersatzteile für JV102D | 452850-3
Hersteller: Makita
Artikelnummer: EMK-JV102D-452850-3
Netto: 12,42 € zzgl. MwSt.
zzgl. 6,90 € Versand (brutto)
einmalig pro Bestellung

Lieferzeit: 5 Werktage

Pos.
050
MAKITA Schaltereinheit | Ersatzteile für JV102D | 620714-1
Hersteller: Makita
Artikelnummer: EMK-JV102D-620714-1
Netto: 7,38 € zzgl. MwSt.
zzgl. 6,90 € Versand (brutto)
einmalig pro Bestellung

Lieferzeit: 5 Werktage

Pos.
051
MAKITA Schalterplatte komplett | Ersatzteile für JV102D | 144628-5
Hersteller: Makita
Artikelnummer: EMK-JV102D-144628-5
Netto: 4,24 € zzgl. MwSt.
zzgl. 6,90 € Versand (brutto)
einmalig pro Bestellung

Lieferzeit: 5 Werktage

Pos.
052
MAKITA Bindekopf-Blechschraube 3X16 | Ersatzteile für JV102D | 266130-9
Hersteller: Makita
Artikelnummer: EMK-JV102D-266130-9
Netto: 3,86 € zzgl. MwSt.
zzgl. 6,90 € Versand (brutto)
einmalig pro Bestellung

Lieferzeit: 5 Werktage

Pos.
053
MAKITA Anschlagring (EXT) E-4 | Ersatzteile für JV102D | 961011-9
Hersteller: Makita
Artikelnummer: EMK-JV102D-961011-9
Netto: 3,86 € zzgl. MwSt.
zzgl. 6,90 € Versand (brutto)
einmalig pro Bestellung

Lieferzeit: 5 Werktage

Pos.
054
MAKITA Stahlkugel 4 | Ersatzteile für JV102D | 216008-6
Hersteller: Makita
Artikelnummer: EMK-JV102D-216008-6
Netto: 3,86 € zzgl. MwSt.
zzgl. 6,90 € Versand (brutto)
einmalig pro Bestellung

Lieferzeit: 5 Werktage

Pos.
055
MAKITA Druckfeder 4 | Ersatzteile für JV102D | 233151-6
Hersteller: Makita
Artikelnummer: EMK-JV102D-233151-6
Netto: 3,48 € zzgl. MwSt.
zzgl. 6,90 € Versand (brutto)
einmalig pro Bestellung

Lieferzeit: 5 Werktage

Pos.
056
MAKITA Hebel 19 | Ersatzteile für JV102D | 271441-9
Hersteller: Makita
Artikelnummer: EMK-JV102D-271441-9
Netto: 7,00 € zzgl. MwSt.
zzgl. 6,90 € Versand (brutto)
einmalig pro Bestellung

Lieferzeit: 5 Werktage

Pos.
057
MAKITA Basis | Ersatzteile für JV102D | 319620-2
Hersteller: Makita
Artikelnummer: EMK-JV102D-319620-2
Netto: 18,99 € zzgl. MwSt.
zzgl. 6,90 € Versand (brutto)
einmalig pro Bestellung

Lieferzeit: 5 Werktage

Pos.
058
MAKITA Grundplatte | Ersatzteile für JV102D | 345441-6
Hersteller: Makita
Artikelnummer: EMK-JV102D-345441-6
Netto: 7,00 € zzgl. MwSt.
zzgl. 6,90 € Versand (brutto)
einmalig pro Bestellung

Lieferzeit: 5 Werktage

Pos.
059
MAKITA Senkkopfschraube M4X8 | Ersatzteile für JV102D | 912107-9
Hersteller: Makita
Artikelnummer: EMK-JV102D-912107-9
Netto: 3,86 € zzgl. MwSt.
zzgl. 6,90 € Versand (brutto)
einmalig pro Bestellung

Lieferzeit: 5 Werktage

Pos.
060
MAKITA Klemmplatte | Ersatzteile für JV102D | 344685-5
Hersteller: Makita
Artikelnummer: EMK-JV102D-344685-5
Netto: 4,24 € zzgl. MwSt.
zzgl. 6,90 € Versand (brutto)
einmalig pro Bestellung

Lieferzeit: 5 Werktage

Pos.
061
MAKITA Innensechskantkopfschraube M4X16 WR | Ersatzteile für JV102D | 922128-3
Hersteller: Makita
Artikelnummer: EMK-JV102D-922128-3
Netto: 3,86 € zzgl. MwSt.
zzgl. 6,90 € Versand (brutto)
einmalig pro Bestellung

Lieferzeit: 5 Werktage

Angaben zur Produktsicherheit

Hersteller:
Makita-Werkzeug GmbH
Makita-Platz 1
40885 Ratingen

E-Mail:
info@makita.de