MAKITA Stift 3 | Ersatzteile für JV183D | 256254-9

Artikelnummer: EMK-JV183D-256254-9

Position: 022

Marke: MAKITA


Bitte Kompatibilität prüfen!

Bitte prüfen Sie unbedingt die Typennummer Ihrer Maschine / Ihres Gerätes. Das Ersatzteil ist nur kompatibel, wenn Sie die Typennummer Ihrer Maschine in der unten stehenden Produktbeschreibung finden.

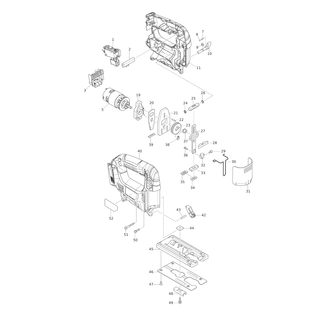
Bitte prüfen Sie ebenfalls detailliert die Explosionszeichnung mit Ihrem Artikelwunsch und der jeweiligen Pos-Nummer.

Alle Elemente, welche vom schwarzen Strich der Pos-Nummer ausgehend berührt / erfasst werden, gehören zu dieser Pos-Nummer und somit zu diesem Artikel. Jede Pos-Nummer ist ein eigenständiger Artikel, welchen Sie in der Auflistung finden.

Sie erhalten stets die aktuellste, neueste Produktversion zu der gewählten Pos-Nummer seitens des Herstellers. Es kann daher je nach Gerätealter vorkommen, dass Sie ggf. weitere, zugehörige Elemente, welche an diese Pos-Nummer grenzen, ebenfalls mittauschen müssen.

Nähere Informationen finden Sie unter dem Link
Hinweise zu Ihrer MAKITA Ersatzteilsuche

Preisübersicht

Einzelpreis: 4,05 €* (Brutto: 4,82 €)
Gesamtpreis: 4,05 €* 
Position:

Lieferzeit: 5 Werktage


Beschreibung

  • Stift 3
  • Original MAKITA Zubehör / MAKITA Ersatzteil (256254-9)
  • im Gerät verbaut: 1
Dieses MAKITA Ersatzteil ist mit folgendem Gerät und Modell kompatibel:
  • MAKITA Gerätename: JV183D
  • MAKITA Explosionszeichnung: Position 146339
  • MAKITA Typennummer: JV183D
  • MAKITA Typennummer alternative Schreibweisen: JV-183-D, JV 183 D
    Bitte prüfen Sie diese Typennummer auf Ihrem Gerät um die Kompatibilität des MAKITA Ersatzteils zu gewährleisten.
Weitere MAKITA Ersatzteile des Gerätes JV183D () mit der Typennummer JV183D finden Sie in der nachfolgenden Darstellung und im Dropdown zu Ihrer Auswahl:

Pos.
001
MAKITA Schaltereinheit | Ersatzteile für JV183D | 632B67-8
Hersteller: MAKITA
Artikelnummer: EMK-JV183D-632B67-8
nur Informationsartikel
Nie mehr lieferbar
keine Alternativen
Pos.
010-1
MAKITA Hebel 19 | Ersatzteile für JV183D | 271485-9
Hersteller: MAKITA
Artikelnummer: EMK-JV183D-271485-9
nur Informationsartikel
Nie mehr lieferbar
keine Alternativen
Pos.
F03
MAKITA Schlitzplattensatz | Ersatzteile für JV183D | 192557-6
Hersteller: MAKITA
Artikelnummer: EMK-JV183D-192557-6
Netto: 8,88 € zzgl. MwSt.
zzgl. 6,90 € Versand (brutto)
einmalig pro Bestellung

Lieferzeit: 5 Werktage

Pos.
F07-2
MAKITA Akku BL1815G Set | Ersatzteile für JV183D | 198186-3
Hersteller: MAKITA
Artikelnummer: EMK-JV183D-198186-3
nur Informationsartikel
Nie mehr lieferbar
keine Alternativen
Pos.
002
MAKITA Verriegelungsknopf | Ersatzteile für JV183D | 454742-2
Hersteller: MAKITA
Artikelnummer: EMK-JV183D-454742-2
nur Informationsartikel
Nie mehr lieferbar
keine Alternativen
Pos.
003
MAKITA Klemme | Ersatzteile für JV183D | 643862-9
Hersteller: MAKITA
Artikelnummer: EMK-JV183D-643862-9
Netto: 4,81 € zzgl. MwSt.
zzgl. 6,90 € Versand (brutto)
einmalig pro Bestellung

Lieferzeit: 5 Werktage

Pos.
005
MAKITA Gleichstrommotor | Ersatzteile für JV183D | 629113-4
Hersteller: MAKITA
Artikelnummer: EMK-JV183D-629113-4
Netto: 20,99 € zzgl. MwSt.
zzgl. 6,90 € Versand (brutto)
einmalig pro Bestellung

Lieferzeit: 5 Werktage

Pos.
007
MAKITA Druckfeder 4 | Ersatzteile für JV183D | 233151-6
Hersteller: MAKITA
Artikelnummer: EMK-JV183D-233151-6
Netto: 3,48 € zzgl. MwSt.
zzgl. 6,90 € Versand (brutto)
einmalig pro Bestellung

Lieferzeit: 5 Werktage

Pos.
008
MAKITA Stahlkugel 4 | Ersatzteile für JV183D | 216008-6
Hersteller: MAKITA
Artikelnummer: EMK-JV183D-216008-6
Netto: 3,86 € zzgl. MwSt.
zzgl. 6,90 € Versand (brutto)
einmalig pro Bestellung

Lieferzeit: 5 Werktage

Pos.
009
MAKITA Anschlagring (EXT) E-4 | Ersatzteile für JV183D | 961011-9
Hersteller: MAKITA
Artikelnummer: EMK-JV183D-961011-9
Netto: 3,86 € zzgl. MwSt.
zzgl. 6,90 € Versand (brutto)
einmalig pro Bestellung

Lieferzeit: 5 Werktage

Pos.
010
MAKITA Hebel 19 | Ersatzteile für JV183D | 272267-2
Hersteller: MAKITA
Artikelnummer: EMK-JV183D-272267-2
nur Informationsartikel
Nie mehr lieferbar
keine Alternativen
Pos.
020
MAKITA Druckplatte | Ersatzteile für JV183D | 344683-9
Hersteller: MAKITA
Artikelnummer: EMK-JV183D-344683-9
Netto: 4,52 € zzgl. MwSt.
zzgl. 6,90 € Versand (brutto)
einmalig pro Bestellung

Lieferzeit: 5 Werktage

Pos.
021
MAKITA Ausgleichsplatte | Ersatzteile für JV183D | 344614-8
Hersteller: MAKITA
Artikelnummer: EMK-JV183D-344614-8
Netto: 9,66 € zzgl. MwSt.
zzgl. 6,90 € Versand (brutto)
einmalig pro Bestellung

Lieferzeit: 5 Werktage

Pos.
022
MAKITA Stift 3 | Ersatzteile für JV183D | 256254-9
Hersteller: MAKITA
Artikelnummer: EMK-JV183D-256254-9
Netto: 4,05 € zzgl. MwSt.
zzgl. 6,90 € Versand (brutto)
einmalig pro Bestellung

Lieferzeit: 5 Werktage

Pos.
023
MAKITA Stirnrad kpl. | Ersatzteile für JV183D | 153260-4
Hersteller: MAKITA
Artikelnummer: EMK-JV183D-153260-4
Netto: 14,90 € zzgl. MwSt.
zzgl. 6,90 € Versand (brutto)
einmalig pro Bestellung

Lieferzeit: 5 Werktage

Pos.
024
MAKITA O-Ring 5 | Ersatzteile für JV183D | 213038-8
Hersteller: MAKITA
Artikelnummer: EMK-JV183D-213038-8
Netto: 3,48 € zzgl. MwSt.
zzgl. 6,90 € Versand (brutto)
einmalig pro Bestellung

Lieferzeit: 5 Werktage

Pos.
027
MAKITA Schieber | Ersatzteile für JV183D | 344613-0
Hersteller: MAKITA
Artikelnummer: EMK-JV183D-344613-0
Netto: 10,24 € zzgl. MwSt.
zzgl. 6,90 € Versand (brutto)
einmalig pro Bestellung

Lieferzeit: 5 Werktage

Pos.
028
MAKITA Spindelarretierung | Ersatzteile für JV183D | 232183-0
Hersteller: MAKITA
Artikelnummer: EMK-JV183D-232183-0
Netto: 3,48 € zzgl. MwSt.
zzgl. 6,90 € Versand (brutto)
einmalig pro Bestellung

Lieferzeit: 5 Werktage

Pos.
029
MAKITA Innensechskantkopfschraube M4X8 | Ersatzteile für JV183D | 922107-1
Hersteller: MAKITA
Artikelnummer: EMK-JV183D-922107-1
nur Informationsartikel
Nie mehr lieferbar
keine Alternativen
Pos.
031
MAKITA Staubschutzabdeckung | Ersatzteile für JV183D | 416476-5
Hersteller: MAKITA
Artikelnummer: EMK-JV183D-416476-5
nur Informationsartikel
Nie mehr lieferbar
keine Alternativen
Pos.
032
MAKITA Messerklemme | Ersatzteile für JV183D | 313140-8
Hersteller: MAKITA
Artikelnummer: EMK-JV183D-313140-8
Netto: 10,24 € zzgl. MwSt.
zzgl. 6,90 € Versand (brutto)
einmalig pro Bestellung

Lieferzeit: 5 Werktage

Pos.
034
MAKITA Kunststoffdichtung | Ersatzteile für JV183D | 423307-1
Hersteller: MAKITA
Artikelnummer: EMK-JV183D-423307-1
Netto: 3,48 € zzgl. MwSt.
zzgl. 6,90 € Versand (brutto)
einmalig pro Bestellung

Lieferzeit: 5 Werktage

Pos.
035
MAKITA Dichtungsplatte | Ersatzteile für JV183D | 344686-3
Hersteller: MAKITA
Artikelnummer: EMK-JV183D-344686-3
Netto: 3,48 € zzgl. MwSt.
zzgl. 6,90 € Versand (brutto)
einmalig pro Bestellung

Lieferzeit: 5 Werktage

Pos.
036
MAKITA Innensechskantkopfschraube M3X10 | Ersatzteile für JV183D | 266177-3
Hersteller: MAKITA
Artikelnummer: EMK-JV183D-266177-3
Netto: 3,48 € zzgl. MwSt.
zzgl. 6,90 € Versand (brutto)
einmalig pro Bestellung

Lieferzeit: 5 Werktage

Pos.
038
MAKITA Haltering (EXT) S-6 | Ersatzteile für JV183D | 961002-0
Hersteller: MAKITA
Artikelnummer: EMK-JV183D-961002-0
nur Informationsartikel
Nie mehr lieferbar
keine Alternativen
Pos.
039
MAKITA Staubdichtung | Ersatzteile für JV183D | 416703-0
Hersteller: MAKITA
Artikelnummer: EMK-JV183D-416703-0
Netto: 3,48 € zzgl. MwSt.
zzgl. 6,90 € Versand (brutto)
einmalig pro Bestellung

Lieferzeit: 5 Werktage

Pos.
042
MAKITA Halter komplett | Ersatzteile für JV183D | 158392-2
Hersteller: MAKITA
Artikelnummer: EMK-JV183D-158392-2
Netto: 8,43 € zzgl. MwSt.
zzgl. 6,90 € Versand (brutto)
einmalig pro Bestellung

Lieferzeit: 5 Werktage

Pos.
043
MAKITA Stift 4 | Ersatzteile für JV183D | 256117-9
Hersteller: MAKITA
Artikelnummer: EMK-JV183D-256117-9
Netto: 4,05 € zzgl. MwSt.
zzgl. 6,90 € Versand (brutto)
einmalig pro Bestellung

Lieferzeit: 5 Werktage

Pos.
044
MAKITA Halter | Ersatzteile für JV183D | 343540-8
Hersteller: MAKITA
Artikelnummer: EMK-JV183D-343540-8
Netto: 4,24 € zzgl. MwSt.
zzgl. 6,90 € Versand (brutto)
einmalig pro Bestellung

Lieferzeit: 5 Werktage

Pos.
045
MAKITA Basis | Ersatzteile für JV183D | 317796-9
Hersteller: MAKITA
Artikelnummer: EMK-JV183D-317796-9
Netto: 10,81 € zzgl. MwSt.
zzgl. 6,90 € Versand (brutto)
einmalig pro Bestellung

Lieferzeit: 5 Werktage

Pos.
046
MAKITA Grundplatte | Ersatzteile für JV183D | 345441-6
Hersteller: MAKITA
Artikelnummer: EMK-JV183D-345441-6
Netto: 7,00 € zzgl. MwSt.
zzgl. 6,90 € Versand (brutto)
einmalig pro Bestellung

Lieferzeit: 5 Werktage

Pos.
047
MAKITA Senkkopfschraube M4X8 | Ersatzteile für JV183D | 912107-9
Hersteller: MAKITA
Artikelnummer: EMK-JV183D-912107-9
Netto: 3,86 € zzgl. MwSt.
zzgl. 6,90 € Versand (brutto)
einmalig pro Bestellung

Lieferzeit: 5 Werktage

Pos.
048
MAKITA Klemmplatte | Ersatzteile für JV183D | 344685-5
Hersteller: MAKITA
Artikelnummer: EMK-JV183D-344685-5
Netto: 4,24 € zzgl. MwSt.
zzgl. 6,90 € Versand (brutto)
einmalig pro Bestellung

Lieferzeit: 5 Werktage

Pos.
049
MAKITA Innensechskantkopfschraube M4X16 WR | Ersatzteile für JV183D | 922128-3
Hersteller: MAKITA
Artikelnummer: EMK-JV183D-922128-3
Netto: 3,86 € zzgl. MwSt.
zzgl. 6,90 € Versand (brutto)
einmalig pro Bestellung

Lieferzeit: 5 Werktage

Pos.
050
MAKITA Bindekopf-Blechschraube 4X18 | Ersatzteile für JV183D | 266326-2
Hersteller: MAKITA
Artikelnummer: EMK-JV183D-266326-2
Netto: 3,48 € zzgl. MwSt.
zzgl. 6,90 € Versand (brutto)
einmalig pro Bestellung

Lieferzeit: 5 Werktage

Pos.
051
MAKITA Bindekopf-Blechschraube 4X35 | Ersatzteile für JV183D | 266351-3
Hersteller: MAKITA
Artikelnummer: EMK-JV183D-266351-3
Netto: 3,48 € zzgl. MwSt.
zzgl. 6,90 € Versand (brutto)
einmalig pro Bestellung

Lieferzeit: 5 Werktage

Pos.
052
MAKITA Typenschild JV183D | Ersatzteile für JV183D | 815D85-5
Hersteller: MAKITA
Artikelnummer: EMK-JV183D-815D85-5
nur Informationsartikel
Nie mehr lieferbar
keine Alternativen

Angaben zur Produktsicherheit

Hersteller:
Makita-Werkzeug GmbH
Makita-Platz 1
40885 Ratingen

E-Mail:
info@makita.de