MAKITA Stator | Ersatzteile für VR004G | 629B21-1

Artikelnummer: EMK-VR004G-629B21-1

Position: 020

Marke: MAKITA


Bitte Kompatibilität prüfen!

Bitte prüfen Sie unbedingt die Typennummer Ihrer Maschine / Ihres Gerätes. Das Ersatzteil ist nur kompatibel, wenn Sie die Typennummer Ihrer Maschine in der unten stehenden Produktbeschreibung finden.

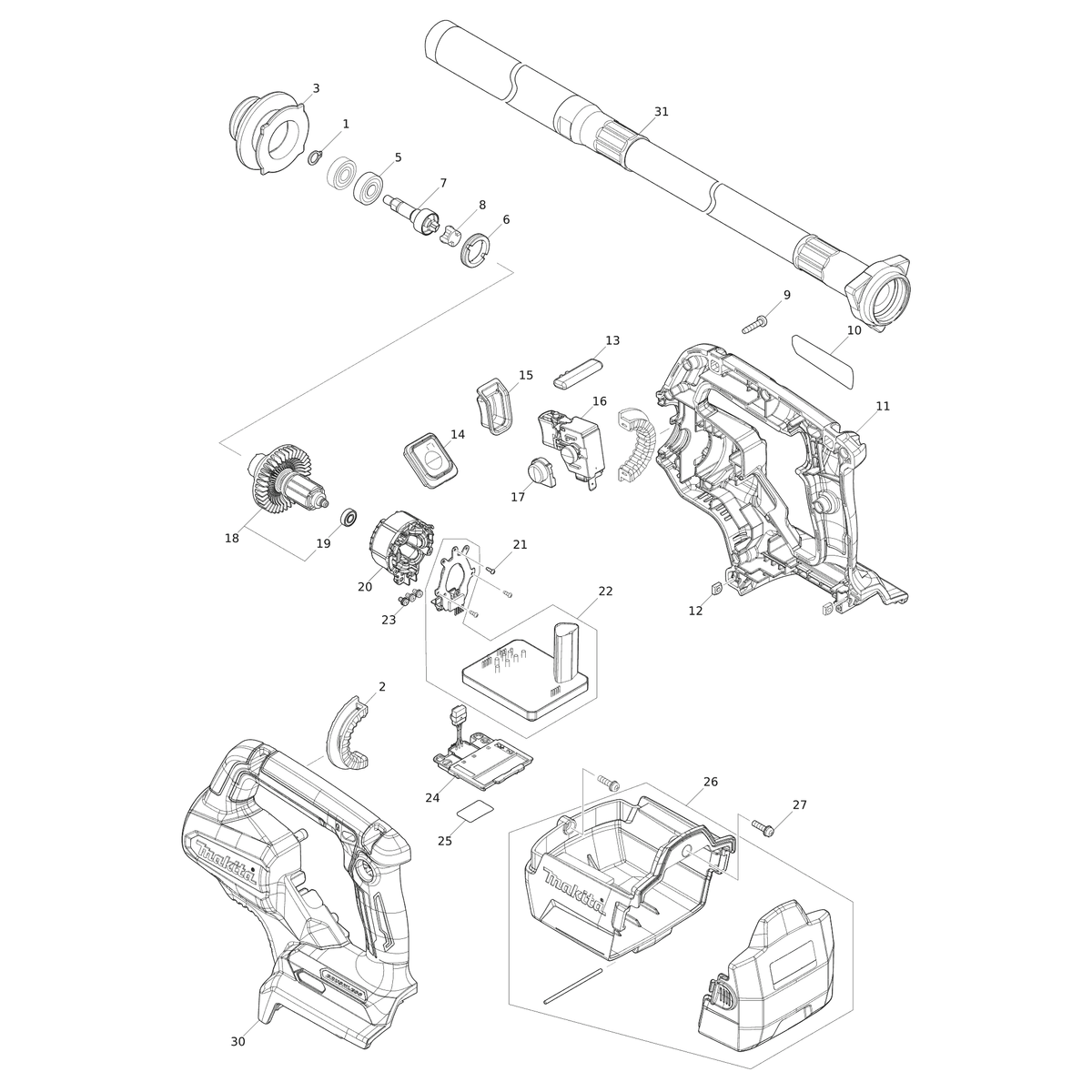
Bitte prüfen Sie ebenfalls detailliert die Explosionszeichnung mit Ihrem Artikelwunsch und der jeweiligen Pos-Nummer.

Alle Elemente, welche vom schwarzen Strich der Pos-Nummer ausgehend berührt / erfasst werden, gehören zu dieser Pos-Nummer und somit zu diesem Artikel. Jede Pos-Nummer ist ein eigenständiger Artikel, welchen Sie in der Auflistung finden.

Sie erhalten stets die aktuellste, neueste Produktversion zu der gewählten Pos-Nummer seitens des Herstellers. Es kann daher je nach Gerätealter vorkommen, dass Sie ggf. weitere, zugehörige Elemente, welche an diese Pos-Nummer grenzen, ebenfalls mittauschen müssen.

Nähere Informationen finden Sie unter dem Link
Hinweise zu Ihrer MAKITA Ersatzteilsuche

Preisübersicht

Einzelpreis: 10,24 €* (Brutto: 12,19 €)
Gesamtpreis: 10,24 €* 
Position:

Lieferzeit: 5 Werktage


Beschreibung

  • Stator
  • Original MAKITA Zubehör / MAKITA Ersatzteil (629B21-1)
  • im Gerät verbaut: 1
Dieses MAKITA Ersatzteil ist mit folgendem Gerät und Modell kompatibel:
  • MAKITA Gerätename: VR004G
  • MAKITA Explosionszeichnung: Position 187646
  • MAKITA Typennummer: VR004G
  • MAKITA Typennummer alternative Schreibweisen: VR-004-G, VR 004 G
    Bitte prüfen Sie diese Typennummer auf Ihrem Gerät um die Kompatibilität des MAKITA Ersatzteils zu gewährleisten.
Weitere MAKITA Ersatzteile des Gerätes VR004G (Akku-Betonverdichter) mit der Typennummer VR004G finden Sie in der nachfolgenden Darstellung und im Dropdown zu Ihrer Auswahl:

Pos.
001
MAKITA Haltering (EXT) S-9 | Ersatzteile für VR004G | 961005-4
Hersteller: MAKITA
Artikelnummer: EMK-VR004G-961005-4
nur Informationsartikel
Nie mehr lieferbar
keine Alternativen
Pos.
011-1
MAKITA HOUSING SET | Ersatzteile für VR004G | 1832G4-9
Hersteller: MAKITA
Artikelnummer: EMK-VR004G-1832G4-9
nur Informationsartikel
Nie mehr lieferbar
keine Alternativen
Pos.
A02
MAKITA Kontaktschutzkappe | Ersatzteile für VR004G | 412393-7
Hersteller: MAKITA
Artikelnummer: EMK-VR004G-412393-7
Netto: 3,48 € zzgl. MwSt.
zzgl. 6,90 € Versand (brutto)
einmalig pro Bestellung

Lieferzeit: 5 Werktage

Pos.
A03
MAKITA DC40RA FAST CHARGER | Ersatzteile für VR004G | DC40RA
Hersteller: MAKITA
Artikelnummer: EMK-VR004G-DC40RA
nur Informationsartikel
Nie mehr lieferbar
keine Alternativen
Pos.
A04
MAKITA Akku BL4040 Set | Ersatzteile für VR004G | 191B26-6
Hersteller: MAKITA
Artikelnummer: EMK-VR004G-191B26-6
Netto: 167,40 € zzgl. MwSt.
zzgl. 6,90 € Versand (brutto)
einmalig pro Bestellung

Lieferzeit: 5 Werktage

Pos.
A04
MAKITA BATTERY BL4040F SET | Ersatzteile für VR004G | 1917Y6-7
Hersteller: MAKITA
Artikelnummer: EMK-VR004G-1917Y6-7
nur Informationsartikel
Nie mehr lieferbar
keine Alternativen
Pos.
C10
MAKITA Hinweisschild schalter | Ersatzteile für VR004G | 8055V0-7
Hersteller: MAKITA
Artikelnummer: EMK-VR004G-8055V0-7
nur Informationsartikel
Nie mehr lieferbar
keine Alternativen
Pos.
C10
MAKITA Leitungsfilter | Ersatzteile für VR004G | 688163-8
Hersteller: MAKITA
Artikelnummer: EMK-VR004G-688163-8
Netto: 3,86 € zzgl. MwSt.
zzgl. 6,90 € Versand (brutto)
einmalig pro Bestellung

Lieferzeit: 5 Werktage

Pos.
C10
MAKITA SHAFT (1.0M) GREASE SET | Ersatzteile für VR004G | HA00000307
Hersteller: MAKITA
Artikelnummer: EMK-VR004G-HA00000307
nur Informationsartikel
Nie mehr lieferbar
keine Alternativen
Pos.
C10
MAKITA SHAFT (1.5M) GREASE SET | Ersatzteile für VR004G | HA00000308
Hersteller: MAKITA
Artikelnummer: EMK-VR004G-HA00000308
nur Informationsartikel
Nie mehr lieferbar
keine Alternativen
Pos.
C10
MAKITA SHAFT (2.0M) GREASE SET | Ersatzteile für VR004G | HA00000309
Hersteller: MAKITA
Artikelnummer: EMK-VR004G-HA00000309
nur Informationsartikel
Nie mehr lieferbar
keine Alternativen
Pos.
C10
MAKITA Warnaufkleber | Ersatzteile für VR004G | 816B52-1
Hersteller: MAKITA
Artikelnummer: EMK-VR004G-816B52-1
nur Informationsartikel
Nie mehr lieferbar
keine Alternativen
Pos.
C10
MAKITA XGT-Logo-Aufkleber | Ersatzteile für VR004G | 8005T5-8
Hersteller: MAKITA
Artikelnummer: EMK-VR004G-8005T5-8
Netto: 3,48 € zzgl. MwSt.
zzgl. 6,90 € Versand (brutto)
einmalig pro Bestellung

Lieferzeit: 5 Werktage

Pos.
C20
MAKITA Gummistift 6 | Ersatzteile für VR004G | 263005-3
Hersteller: MAKITA
Artikelnummer: EMK-VR004G-263005-3
Netto: 3,86 € zzgl. MwSt.
zzgl. 6,90 € Versand (brutto)
einmalig pro Bestellung

Lieferzeit: 5 Werktage

Pos.
C20
MAKITA Leitungsfilter | Ersatzteile für VR004G | 688164-6
Hersteller: MAKITA
Artikelnummer: EMK-VR004G-688164-6
Netto: 3,86 € zzgl. MwSt.
zzgl. 6,90 € Versand (brutto)
einmalig pro Bestellung

Lieferzeit: 5 Werktage

Pos.
C20
MAKITA Warnaufkleber | Ersatzteile für VR004G | 810196-7
Hersteller: MAKITA
Artikelnummer: EMK-VR004G-810196-7
nur Informationsartikel
Nie mehr lieferbar
keine Alternativen
Pos.
F01
MAKITA Biegewelle 32-2.4 Set | Ersatzteile für VR004G | 1910C2-9
Hersteller: MAKITA
Artikelnummer: EMK-VR004G-1910C2-9
Netto: 292,44 € zzgl. MwSt.
zzgl. 6,90 € Versand (brutto)
einmalig pro Bestellung

Lieferzeit: 5 Werktage

Pos.
F02
MAKITA Biegewelle 38-2.4 Set | Ersatzteile für VR004G | 1910C4-5
Hersteller: MAKITA
Artikelnummer: EMK-VR004G-1910C4-5
Netto: 304,32 € zzgl. MwSt.
zzgl. 6,90 € Versand (brutto)
einmalig pro Bestellung

Lieferzeit: 5 Werktage

Pos.
F03
MAKITA Biegewelle 32-1.2 Set | Ersatzteile für VR004G | 1910E1-5
Hersteller: MAKITA
Artikelnummer: EMK-VR004G-1910E1-5
Netto: 266,16 € zzgl. MwSt.
zzgl. 6,90 € Versand (brutto)
einmalig pro Bestellung

Lieferzeit: 5 Werktage

Pos.
F04
MAKITA Biegewelle 32-1.7 Set | Ersatzteile für VR004G | 1910E2-3
Hersteller: MAKITA
Artikelnummer: EMK-VR004G-1910E2-3
Netto: 278,04 € zzgl. MwSt.
zzgl. 6,90 € Versand (brutto)
einmalig pro Bestellung

Lieferzeit: 5 Werktage

Pos.
002
MAKITA Gummiring | Ersatzteile für VR004G | 422910-5
Hersteller: MAKITA
Artikelnummer: EMK-VR004G-422910-5
Netto: 3,86 € zzgl. MwSt.
zzgl. 6,90 € Versand (brutto)
einmalig pro Bestellung

Lieferzeit: 5 Werktage

Pos.
003
MAKITA Schlauchhalter | Ersatzteile für VR004G | 313434-1
Hersteller: MAKITA
Artikelnummer: EMK-VR004G-313434-1
nur Informationsartikel
Nie mehr lieferbar
keine Alternativen
Pos.
005
MAKITA Kugellager 609LLB | Ersatzteile für VR004G | 210051-7
Hersteller: MAKITA
Artikelnummer: EMK-VR004G-210051-7
nur Informationsartikel
Nie mehr lieferbar
keine Alternativen
Pos.
006
MAKITA Lagerhalter 19-26 | Ersatzteile für VR004G | 285053-2
Hersteller: MAKITA
Artikelnummer: EMK-VR004G-285053-2
nur Informationsartikel
Nie mehr lieferbar
keine Alternativen
Pos.
007
MAKITA Spindel komplett | Ersatzteile für VR004G | 141K76-5
Hersteller: MAKITA
Artikelnummer: EMK-VR004G-141K76-5
nur Informationsartikel
Nie mehr lieferbar
keine Alternativen
Pos.
008
MAKITA Abstandshalter | Ersatzteile für VR004G | 424833-3
Hersteller: MAKITA
Artikelnummer: EMK-VR004G-424833-3
Netto: 3,86 € zzgl. MwSt.
zzgl. 6,90 € Versand (brutto)
einmalig pro Bestellung

Lieferzeit: 5 Werktage

Pos.
009
MAKITA Bindekopf-Blechschraube 4X20 | Ersatzteile für VR004G | 266045-0
Hersteller: MAKITA
Artikelnummer: EMK-VR004G-266045-0
Netto: 3,86 € zzgl. MwSt.
zzgl. 6,90 € Versand (brutto)
einmalig pro Bestellung

Lieferzeit: 5 Werktage

Pos.
010
MAKITA Typenschild VR004G | Ersatzteile für VR004G | 858L76-1
Hersteller: MAKITA
Artikelnummer: EMK-VR004G-858L76-1
nur Informationsartikel
Nie mehr lieferbar
keine Alternativen
Pos.
012
MAKITA Vierkantmutter | Ersatzteile für VR004G | 252173-7
Hersteller: MAKITA
Artikelnummer: EMK-VR004G-252173-7
Netto: 3,48 € zzgl. MwSt.
zzgl. 6,90 € Versand (brutto)
einmalig pro Bestellung

Lieferzeit: 5 Werktage

Pos.
013
MAKITA Verriegelungshebel | Ersatzteile für VR004G | 458822-6
Hersteller: MAKITA
Artikelnummer: EMK-VR004G-458822-6
Netto: 3,86 € zzgl. MwSt.
zzgl. 6,90 € Versand (brutto)
einmalig pro Bestellung

Lieferzeit: 5 Werktage

Pos.
014
MAKITA Schaltkreis komplett | Ersatzteile für VR004G | 141K86-2
Hersteller: MAKITA
Artikelnummer: EMK-VR004G-141K86-2
Netto: 11,66 € zzgl. MwSt.
zzgl. 6,90 € Versand (brutto)
einmalig pro Bestellung

Lieferzeit: 5 Werktage

Pos.
015
MAKITA Schalterdeckel | Ersatzteile für VR004G | 422966-8
Hersteller: MAKITA
Artikelnummer: EMK-VR004G-422966-8
Netto: 4,52 € zzgl. MwSt.
zzgl. 6,90 € Versand (brutto)
einmalig pro Bestellung

Lieferzeit: 5 Werktage

Pos.
016
MAKITA Schalter C3JW-4CM-1L | Ersatzteile für VR004G | 651493-0
Hersteller: MAKITA
Artikelnummer: EMK-VR004G-651493-0
Netto: 24,13 € zzgl. MwSt.
zzgl. 6,90 € Versand (brutto)
einmalig pro Bestellung

Lieferzeit: 5 Werktage

Pos.
017
MAKITA Einschalt-Arretierknopfabdeckung | Ersatzteile für VR004G | 458819-5
Hersteller: MAKITA
Artikelnummer: EMK-VR004G-458819-5
Netto: 3,86 € zzgl. MwSt.
zzgl. 6,90 € Versand (brutto)
einmalig pro Bestellung

Lieferzeit: 5 Werktage

Pos.
018
MAKITA Rotorbaugruppe | Ersatzteile für VR004G | 136692-0
Hersteller: MAKITA
Artikelnummer: EMK-VR004G-136692-0
nur Informationsartikel
Nie mehr lieferbar
keine Alternativen
Pos.
019
MAKITA Kugellager 695DDW | Ersatzteile für VR004G | 210039-7
Hersteller: MAKITA
Artikelnummer: EMK-VR004G-210039-7
Netto: 8,43 € zzgl. MwSt.
zzgl. 6,90 € Versand (brutto)
einmalig pro Bestellung

Lieferzeit: 5 Werktage

Pos.
020
MAKITA Stator | Ersatzteile für VR004G | 629B21-1
Hersteller: MAKITA
Artikelnummer: EMK-VR004G-629B21-1
Netto: 10,24 € zzgl. MwSt.
zzgl. 6,90 € Versand (brutto)
einmalig pro Bestellung

Lieferzeit: 5 Werktage

Pos.
021
MAKITA Zylinderschraube 2X6 | Ersatzteile für VR004G | 266490-9
Hersteller: MAKITA
Artikelnummer: EMK-VR004G-266490-9
Netto: 3,48 € zzgl. MwSt.
zzgl. 6,90 € Versand (brutto)
einmalig pro Bestellung

Lieferzeit: 5 Werktage

Pos.
022
MAKITA Controller | Ersatzteile für VR004G | 620H52-9
Hersteller: MAKITA
Artikelnummer: EMK-VR004G-620H52-9
Netto: 117,91 € zzgl. MwSt.
zzgl. 6,90 € Versand (brutto)
einmalig pro Bestellung

Lieferzeit: 5 Werktage

Pos.
023
MAKITA Flachkopfschraube M3X6 | Ersatzteile für VR004G | 652069-6
Hersteller: MAKITA
Artikelnummer: EMK-VR004G-652069-6
Netto: 3,48 € zzgl. MwSt.
zzgl. 6,90 € Versand (brutto)
einmalig pro Bestellung

Lieferzeit: 5 Werktage

Pos.
024
MAKITA Klemmeneinheit | Ersatzteile für VR004G | 632P65-6
Hersteller: MAKITA
Artikelnummer: EMK-VR004G-632P65-6
Netto: 9,09 € zzgl. MwSt.
zzgl. 6,90 € Versand (brutto)
einmalig pro Bestellung

Lieferzeit: 5 Werktage

Pos.
025
MAKITA Serien-nr-schild VR004G | Ersatzteile für VR004G | 858L80-0
Hersteller: MAKITA
Artikelnummer: EMK-VR004G-858L80-0
nur Informationsartikel
Nie mehr lieferbar
keine Alternativen
Pos.
027
MAKITA Flachkopfschraube M4X16 WR | Ersatzteile für VR004G | 911128-8
Hersteller: MAKITA
Artikelnummer: EMK-VR004G-911128-8
Netto: 3,86 € zzgl. MwSt.
zzgl. 6,90 € Versand (brutto)
einmalig pro Bestellung

Lieferzeit: 5 Werktage

Pos.
031
MAKITA Biegewelle 38-1.2 Set | Ersatzteile für VR004G | 1910E3-1
Hersteller: MAKITA
Artikelnummer: EMK-VR004G-1910E3-1
Netto: 291,12 € zzgl. MwSt.
zzgl. 6,90 € Versand (brutto)
einmalig pro Bestellung

Lieferzeit: 5 Werktage

Angaben zur Produktsicherheit

Hersteller:
Makita-Werkzeug GmbH
Makita-Platz 1
40885 Ratingen

E-Mail:
info@makita.de